lemon-mirror:
Home >> Mercury >> 1992 >> Topaz L4-140 2.3L HSC >> Repair and Diagnosis >> Powertrain Management >> Computers and Control Systems >> Integrated Control Relay Module >> Diagrams >> Electrical Diagrams

Electrical Diagrams

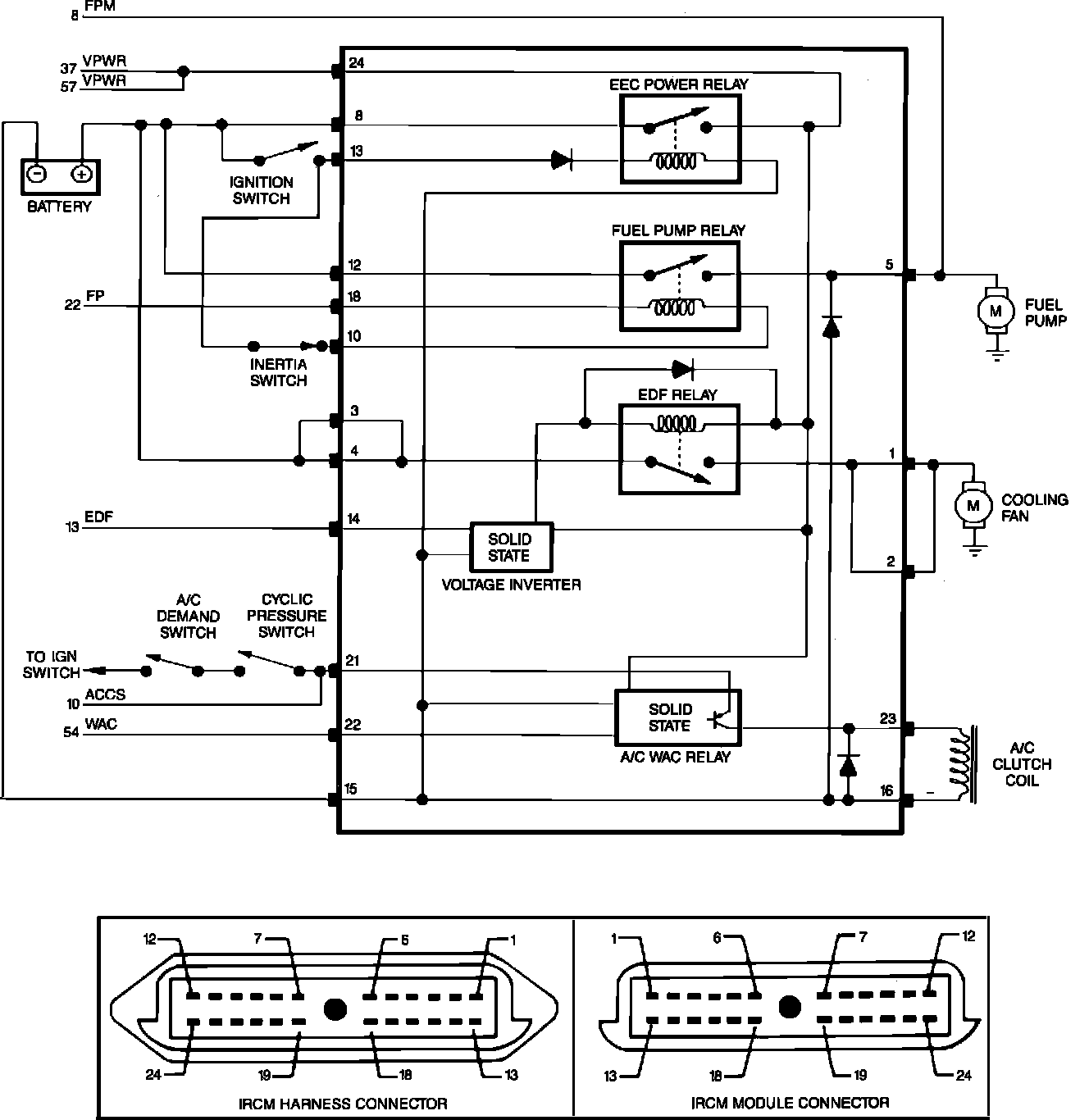
Intergrated Relay Control Module (IRCM) Schematic:



Integrated Relay Control Module (IRCM) Pinout: