lemon-mirror:
Home >> Mercury >> 1992 >> Topaz L4-140 2.3L HSC >> Repair and Diagnosis >> Powertrain Management >> Computers and Control Systems >> Air Flow Meter/Sensor >> Service and Repair

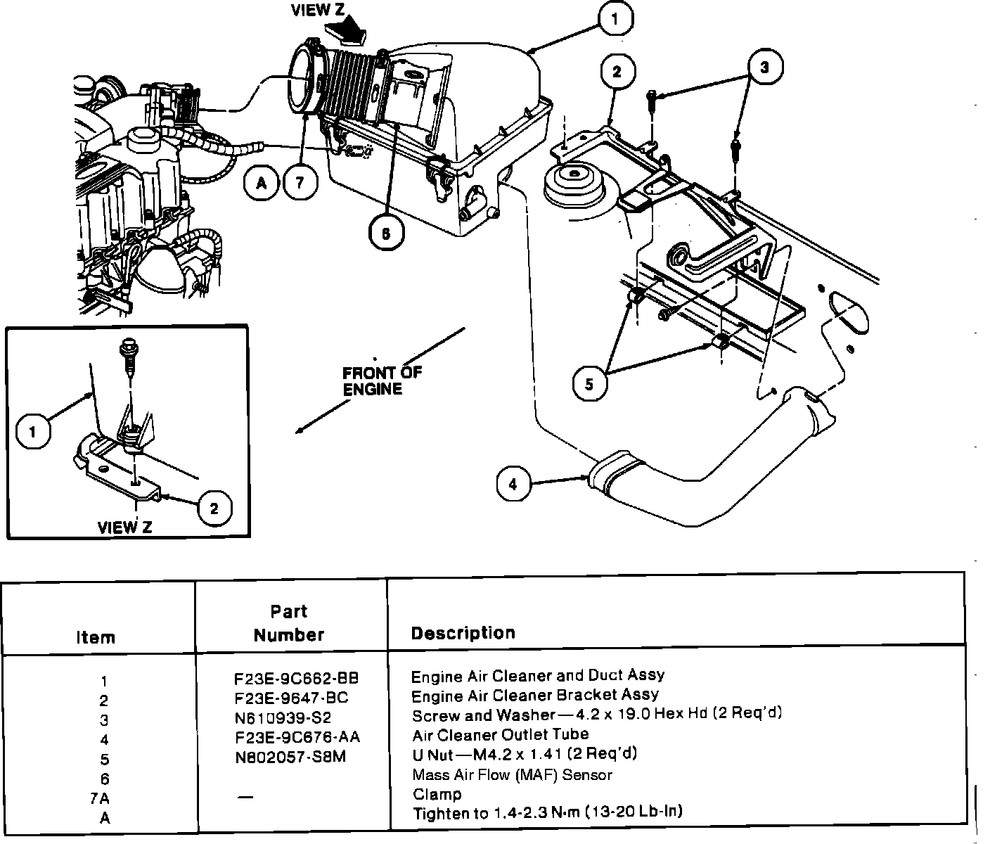
Air Flow Meter/Sensor: Service and Repair



REMOVAL


Component Location:





1. Loosen retaining clamps and remove the air cleaner outlet tubes.
2. Disconnect the Mass Air Flow (MAF) sensor electrical connector.
3. Remove the sensor mounting screws.
4. Remove the MAF sensor assembly.



INSTALLATION


1. Position the MAF sensor.
2. Install the attaching screws. Tighten the screws to 6-9 ft lb (8-12 Nm).
3. Connect the sensor electrical connector.
4. Install the air cleaner outlet tubes and tighten retaining clamps.