lemon-mirror:
Home >> Mercury >> 1982 >> Capri L6-200 3.3L >> Repair and Diagnosis >> Powertrain Management >> Emission Control Systems >> Locations >> Evaporative Control System Components

Evaporative Control System Components

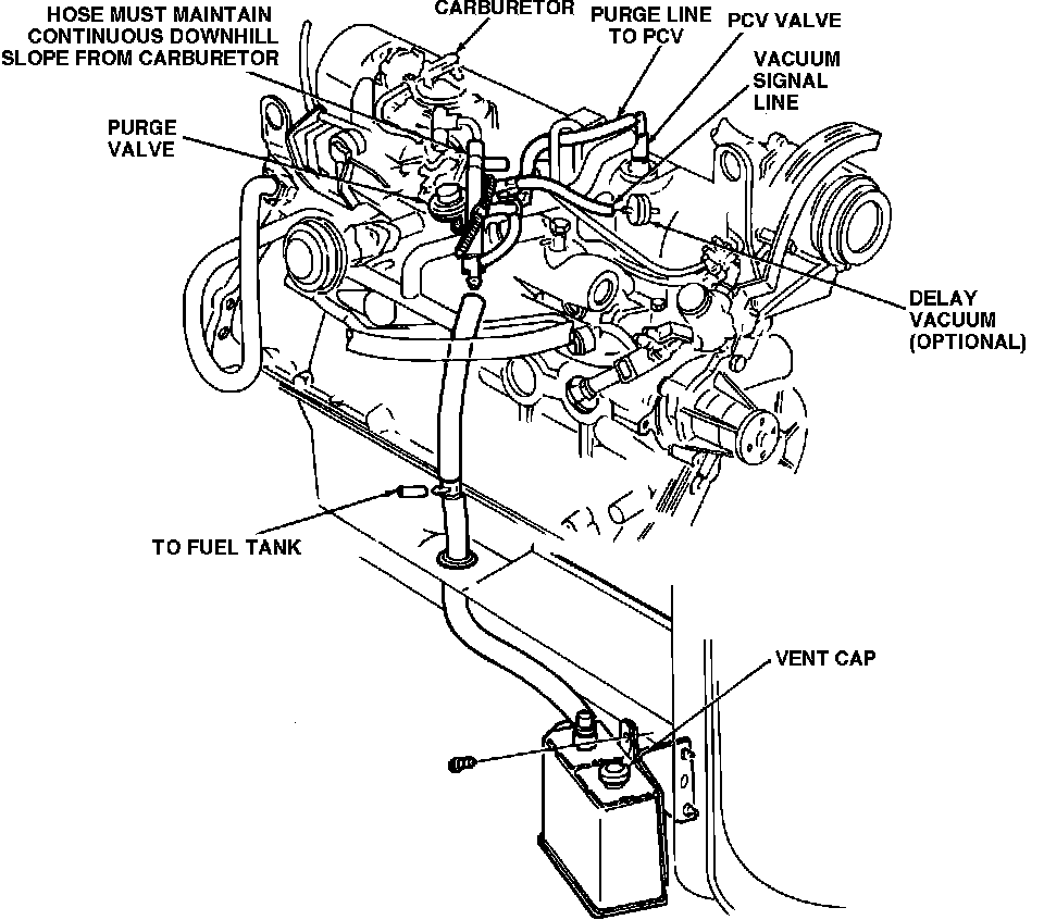
Fig. 2 Evaporative emission control system. 1982-83 models W/6 cyl. engine:






1982






1983

3.3 L