lemon-mirror:
Home >> Mazda >> 2012 >> Mazdaspeed3 L4-2.3L Turbo >> Repair and Diagnosis >> Powertrain Management >> Computers and Control Systems >> Body Control Module >> Description and Operation

Body Control Module: Description and Operation





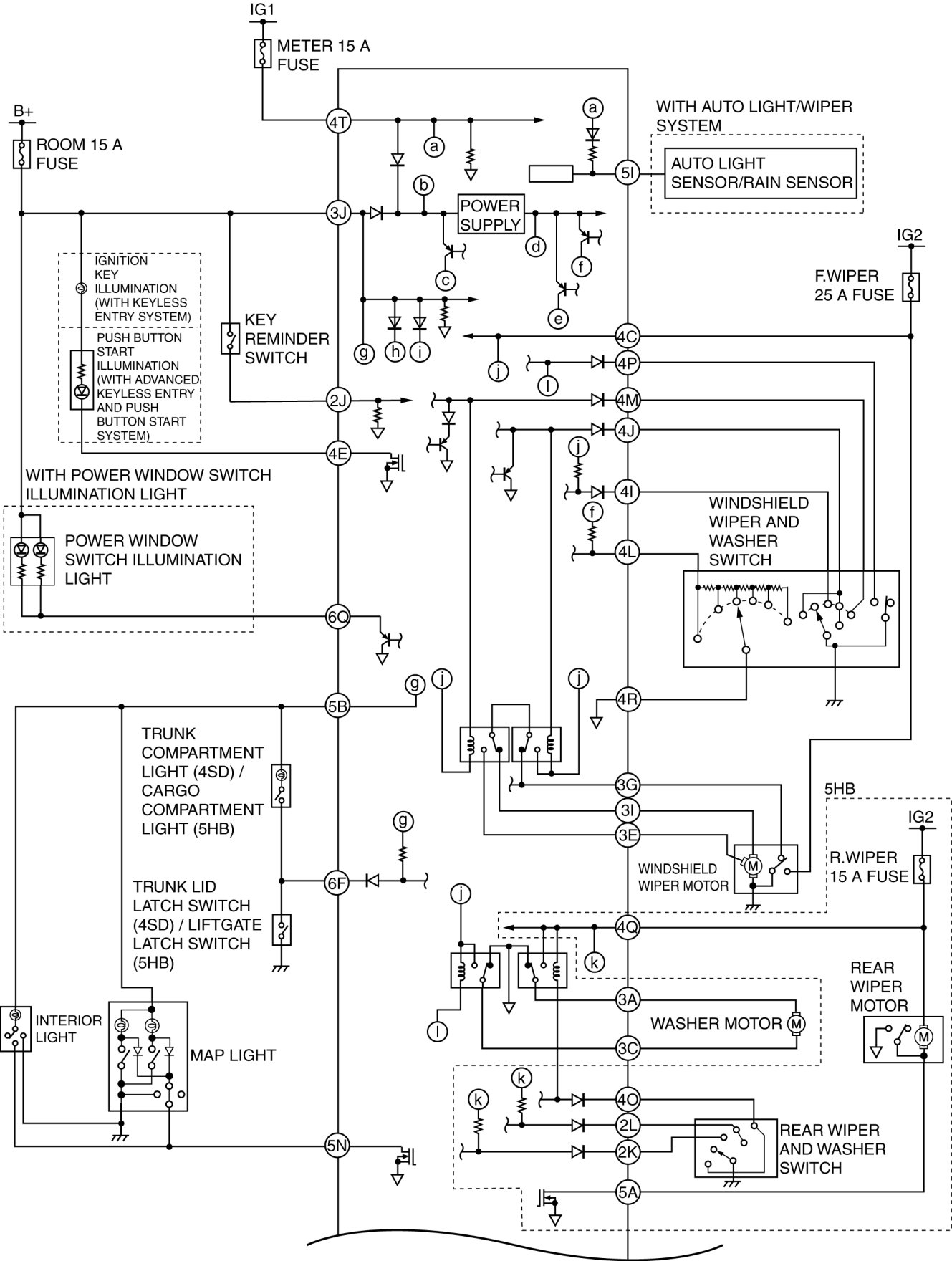
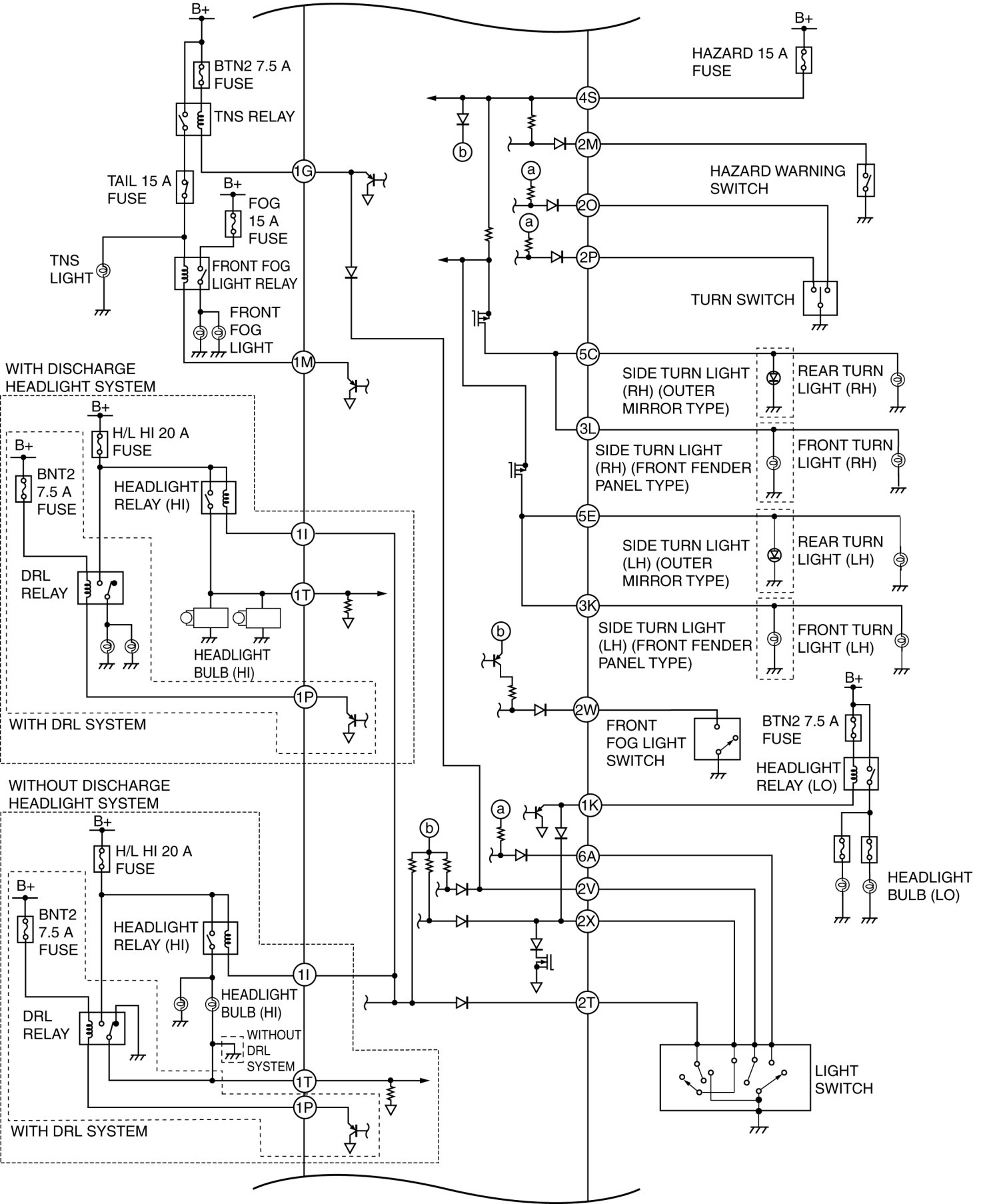
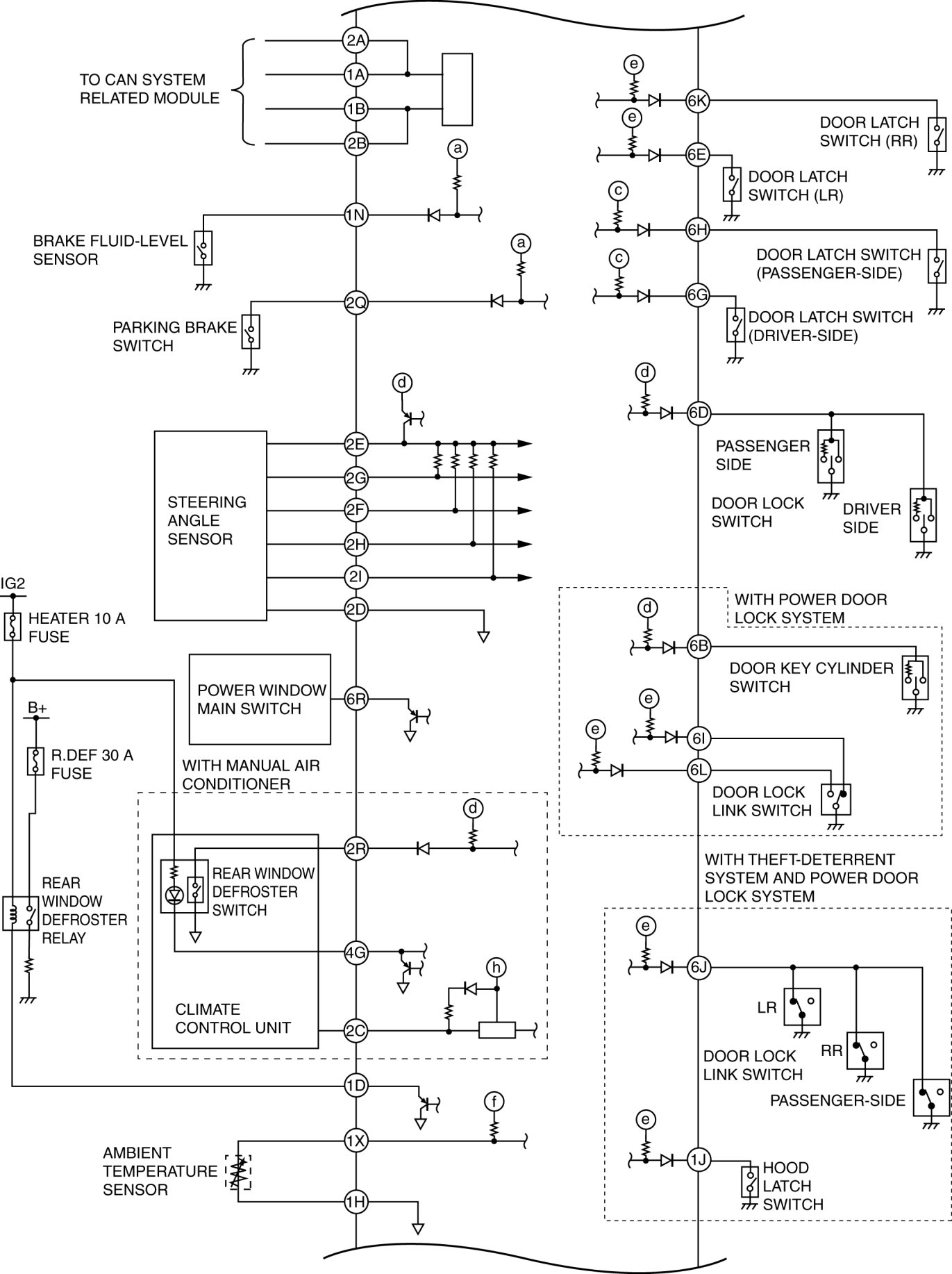
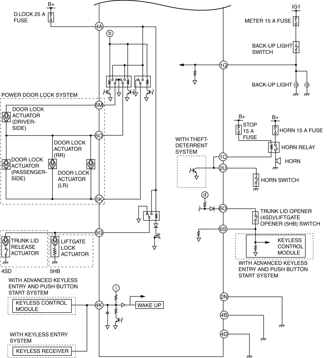
ON-BOARD DIAGNOSTIC WIRING DIAGRAM [BCM]