lemon-mirror:
Home >> Mazda >> 2012 >> CX-9 FWD V6-3.7L >> Repair and Diagnosis >> Powertrain Management >> Computers and Control Systems >> Vehicle Speed Sensor >> Service and Repair >> Part 1

Part 1





VEHICLE SPEED SENSOR (VSS) REMOVAL/INSTALLATION [AY6A-EL, AY6AX-EL]

CAUTION:
- Water or foreign objects entering the connector can cause a poor connection or corrosion. Be sure not to drop water or foreign objects on the connector when disconnecting it.
- If foreign materials are stuck to the VSS, disturbance by magnetic flux can cause sensor output to be abnormal and thereby negatively affect control. Make sure that foreign materials such as iron filings are not stuck to the VSS during installation.

1. Drain the ATF. Automatic Transaxle Fluid (ATF) Replacement

2. Remove the transaxle. Automatic Transaxle Removal/Installation

3. Remove the TCM.






CAUTION:
- Do not touch the terminals.






4. Inspect the condition of the connector pin of the coupler component (foreign material, bent pins, broken pins) and O-ring after the TCM is removed.






5. Remove the O-ring from the coupler component.






6. Clean the transaxle. Automatic Transaxle Cleaning

7. Remove the torque converter. Service and Repair

8. Remove the stud bolts.






9. Set the SSTs as shown in the figure.






CAUTION:
- When installing the SST to the transaxle, use bolts (M12x1.25) with a thread length of 90 mm {3.5 in}.

10. Install the SST to the position where the transaxle stud bolts were removed.






11. Remove the oil pipe component and O-rings.






12. Refer to the "Automatic Transaxle Disassembly/assembly Precaution" before disassembling/assembling the transaxle. Automatic Transaxle Disassembly/Assembly Precaution

13. Remove the control valve body cover.






14. Using a plastic hammer, tap the control valve body cover to remove it.






CAUTION:
- Do not damage the fitting surface of the transaxle case and the control valve body cover.
- Do not deform the control valve body cover.

NOTE:
- Disconnect the solenoid connector according to the following procedure:

- Insert a precision flathead screwdriver from the backside into the connector as shown in the figure.






CAUTION:
- Do not damage the solenoid valves and connectors with the flathead screwdriver.

- Pry the flathead screwdriver in the direction of the arrow and disconnect the connector.






CAUTION:
- When disconnecting connectors, grasp the connectors, not the wiring harnesses. Otherwise, the wiring harnesses may be pulled out of the connector causing poor contact.

15. Disconnect the solenoid connectors, VSS connector and the input/turbine speed sensor connector.






16. Disconnect the coupler component from the clamp.






17. Remove the lock plate, and pull out the TFT sensor from the control valve body.






18. Remove the VSS connector from the solenoid clamp.






19. Remove the suction cover and the gasket.






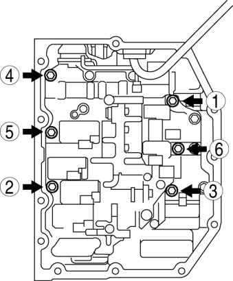
20. Remove the control valve body installation bolts in the order shown in the figure.






21. Disconnect the manual valve link and remove the control valve body component.






CAUTION:
- Do not drop the control valve body component.

22. Fix the coupler component with tape to the transaxle case as shown in the figure.






NOTE:
- Be sure to secure the coupler component with tape so that it will not interfere with the control valve body component.

23. Fix the VSS wiring harness with tape to the transaxle case as shown in the figure.






NOTE:
- Be sure to secure the VSS with tape so that they will not interfere with the control valve body component.

24. Remove the converter housing. Converter Housing Removal/Installation

25. Remove the oil pump component and oil strainer as a single unit. Removal and Replacement

26. Remove the C3 clutch component, front planetary gear component and input shaft.






NOTE:
- In some cases, the input shaft may be detached with the thrust bearing attached.

27. Remove the C3 clutch component from the front planetary gear component and input shaft.






NOTE:
- In some cases, the C3 clutch component may be detached with the thrust washer attached.

28. Remove the brake band anchor bolt.






29. Remove the B1 brake band.






30. Remove the thrust bearing, bearing race and the C1 clutch component.






NOTE:
- In some cases, the C1 clutch component may be detached with the thrust bearing attached.

31. Remove the thrust bearing, bearing race and the sun gear input drum.






32. Remove the detent spring cover and detent spring.






33. Remove the pawl return spring and the parking pawl shaft.






CAUTION:
- Be careful not to apply too much force to the pawl return spring.

34. Remove the torsion spring and the spring guide sleeve.






CAUTION:
- Be careful not to apply too much force to the torsion spring.

35. Remove the parking pawl and the parking pawl bracket.






36. Disconnect the parking rod from the manual valve lever.






37. Remove the manual valve lever from the transaxle case.






38. Remove the parking rod from the transaxle case.






39. Remove the parking pin from the transaxle case.






NOTE:
- Inspect the direction of the parking pin.

40. Remove the counter gear component.






NOTE:
- For easy removal, tilt the counter gear component slightly.

41. Remove the differential component.






42. Disconnect the VSS wiring harness from the wiring harness clip.






CAUTION:
- Do not damage the VSS wiring harness.
- Do not pull hard on the VSS wiring harness.

43. Remove the pipe clamp, transaxle case No.1 plate, wiring harness clip and the oil cooler outlet tube.






CAUTION:
- Do not damage the oil cooler outlet tube.

44. Remove the O-rings from the oil cooler outlet tube.






45. Using a flathead screwdriver and a hammer, pry back the crimp on the lockwashers.






CAUTION:
- If the lockwashers crimp is not completely pried back, the tool cannot fit over the bolt properly and the bolt cannot be loosened.

46. Remove the lockwashers, washers and the counter drive gear.






CAUTION:
- Do not damage the VSS wiring harness.
- Do not pull hard on the VSS wiring harness.

47. Remove the VSS and spacer from the counter drive gear.






CAUTION:
- Do not damage the VSS.

48. Install the VSS and spacer to the counter drive gear.






CAUTION:
- Do not damage the VSS.

Tightening torque
- 3.9-6.9 Nm {40-70 kgf-cm, 35-61 in-lbf}

49. Apply ATF to the spline on the counter drive gear and spline on the ring gear.

50. Install the counter drive gear to the transaxle case.

CAUTION:
- Do not damage the VSS wiring harness.
- Do not pull hard on the VSS wiring harness.

51. Install the lockwashers and washers with bolts.






NOTE:
- Verify that the claws of the lockwashers are facing upward.

Tightening torque
- 57-67 Nm {5.9-6.8 kgf-cm, 43-49 ft-lbf}

Bolt length (measured from below the head)
- A: 29 mm {1.1 in}
- B: 36 mm {1.4 in}

52. Using a flathead screwdriver and a hammer, pry back the crimp locking the lockwashers.






53. Apply ATF to the new O-rings.

54. Install the new O-rings to the oil cooler outlet tube.






55. Install the oil cooler outlet tube, pipe clamp, transaxle case No.1 plate and the wiring harness clip to the converter housing.






Tightening torque
- 8-11 Nm {82-122 kgf-cm, 71-97 in-lbf}

56. Connect the VSS wiring harness to the wiring harness clip.






CAUTION:
- Do not damage the VSS wiring harness.
- Do not pull hard on the VSS wiring harness.