lemon-mirror:
Home >> Mazda >> 2012 >> CX-7 FWD L4-2.5L >> Repair and Diagnosis >> Power and Ground Distribution >> Relay Box >> Testing and Inspection

Relay Box: Testing and Inspection





RELAY INSPECTION [L5]

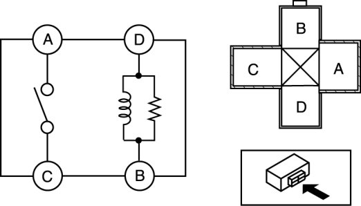
Relay type





Type A

1. Verify the continuity between the relay terminals.






- If not as indicated in the table, replace the relay.






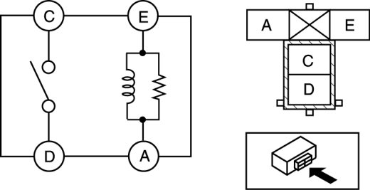
Type B

1. Verify the continuity between the relay terminals.






- If not as indicated in the table, replace the relay.






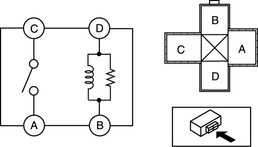
Type C

1. Verify the continuity between the relay terminals.






- If not as indicated in the table, replace the relay.