lemon-mirror:
Home >> Mazda >> 2012 >> CX-7 FWD L4-2.5L >> Repair and Diagnosis >> Body and Frame >> Locks >> Keyless Entry >> Keyless Starting System >> Testing and Inspection >> Scan Tool Testing and Procedures >> System Wiring Diagram

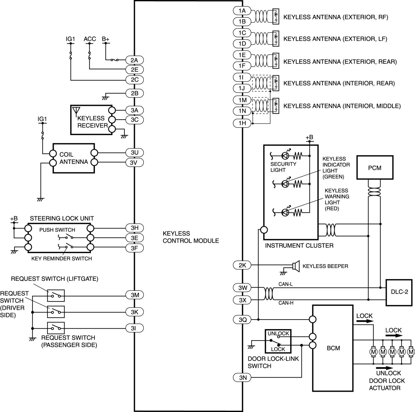
System Wiring Diagram





SYSTEM WIRING DIAGRAM [ADVANCED KEYLESS ENTRY AND START SYSTEM]