lemon-mirror:
Home >> Mazda >> 2012 >> CX-7 FWD L4-2.5L >> Repair and Diagnosis >> Body and Frame >> Body Control Systems >> Testing and Inspection >> Scan Tool Testing and Procedures >> Multiplex Communication System

Multiplex Communication System





M-MDS AND VEHICLE NOT COMMUNICATING [MULTIPLEX COMMUNICATION SYSTEM (L5)]

CAUTION:
- Perform the following on-board diagnosis according to Initial Inspection and Diagnostic Overview troubleshooting procedure.

Detection Condition

- Possible causes of communication errors between the M-MDS and vehicle include communication circuit interruption due to an open circuit in the CAN communication wiring harness, or poor contact of connector terminals, or a BUS OFF condition due to a short circuit in the CAN communication wiring harness.

Possible Causes

- Open circuit in wiring harness between PCM and DLC-2
- Open circuit in BCM CAN line
- Improper insertion, connector terminal damage, deformation, corrosion, or disconnection of PCM or BCM
- Short circuit in wiring harness between CAN system-related module CAN_L and CAN_H lines
- Short circuit to power supply in wiring harness between CAN system-related module
- Short circuit to ground in wiring harness between CAN system-related module
- Short circuit to power supply in CAN system-related module internal CAN lines
- Short circuit to ground in CAN system-related module internal CAN lines
- Damage, deformation, corrosion, or disconnection of DLC-2
- PCM power supply is not normal
- PCM ground is not normal
- PCM internal resistance is not normal
- CAN system-related module malfunction

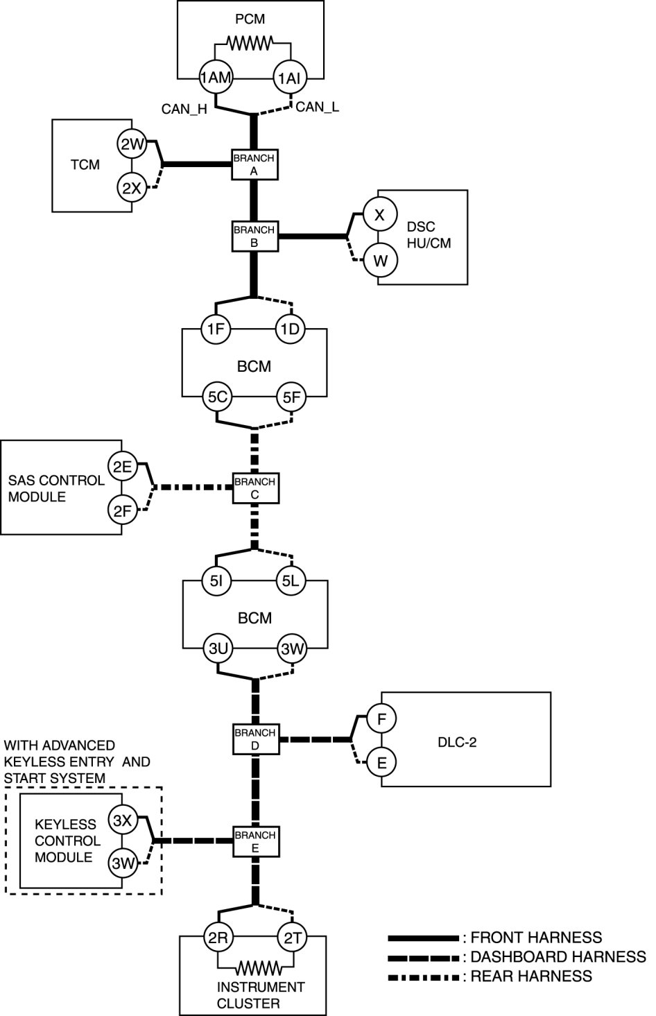
Wiring Diagram





Diagnostic Procedure

CAUTION:
- When disconnecting the connector, verify that there is no looseness, damage, deformation, corrosion, or poor connection of the connector terminals.