lemon-mirror:
Home >> Mazda >> 2012 >> 6 L4-2.5L >> Repair and Diagnosis >> Powertrain Management >> Emission Control Systems >> Description and Operation

Emission Control Systems: Description and Operation





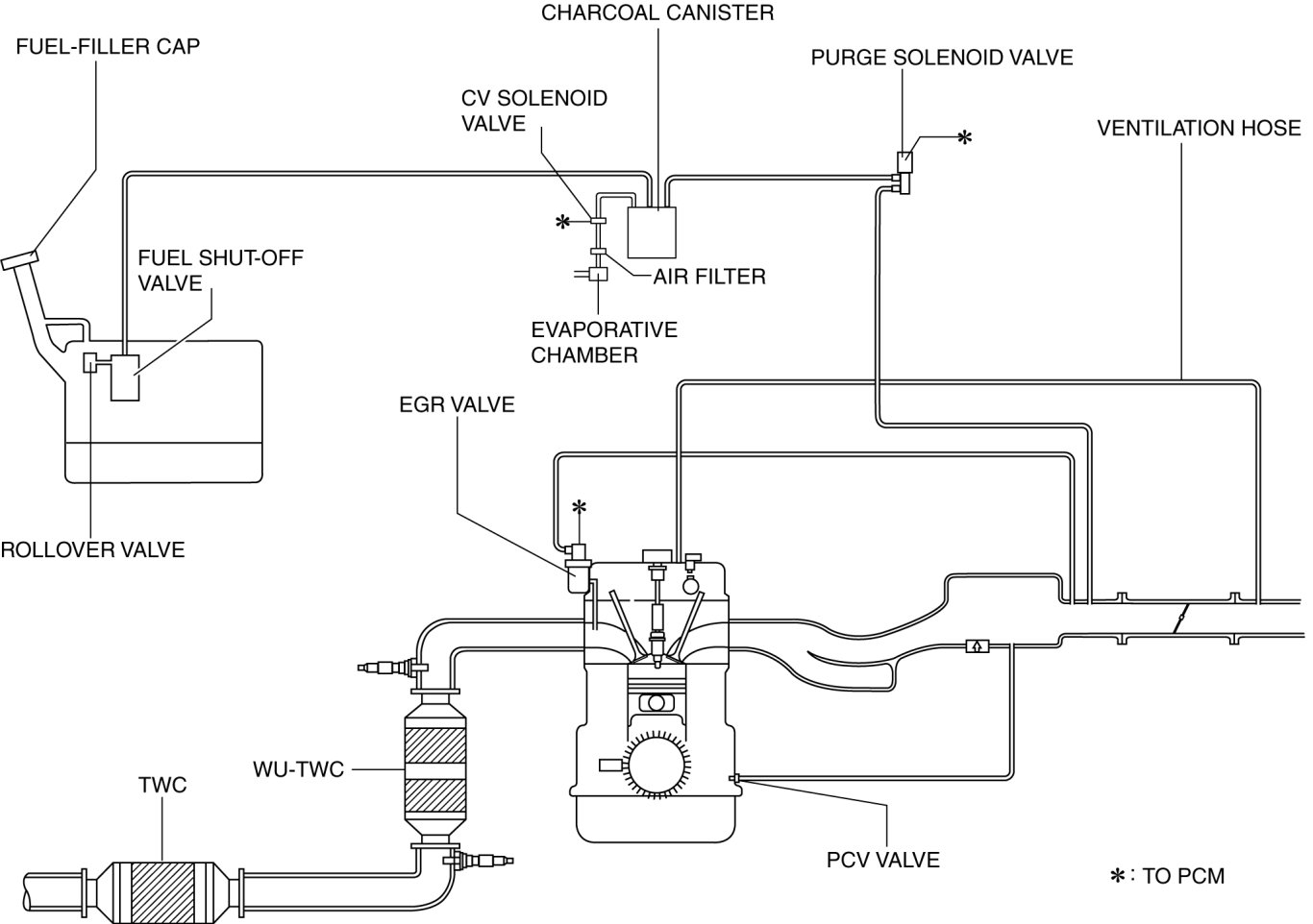
EMISSION SYSTEM DIAGRAM [MZR 2.5]