lemon-mirror:
Home >> Mazda >> 2012 >> 6 L4-2.5L >> Repair and Diagnosis >> Powertrain Management >> Description and Operation

Powertrain Management: Description and Operation





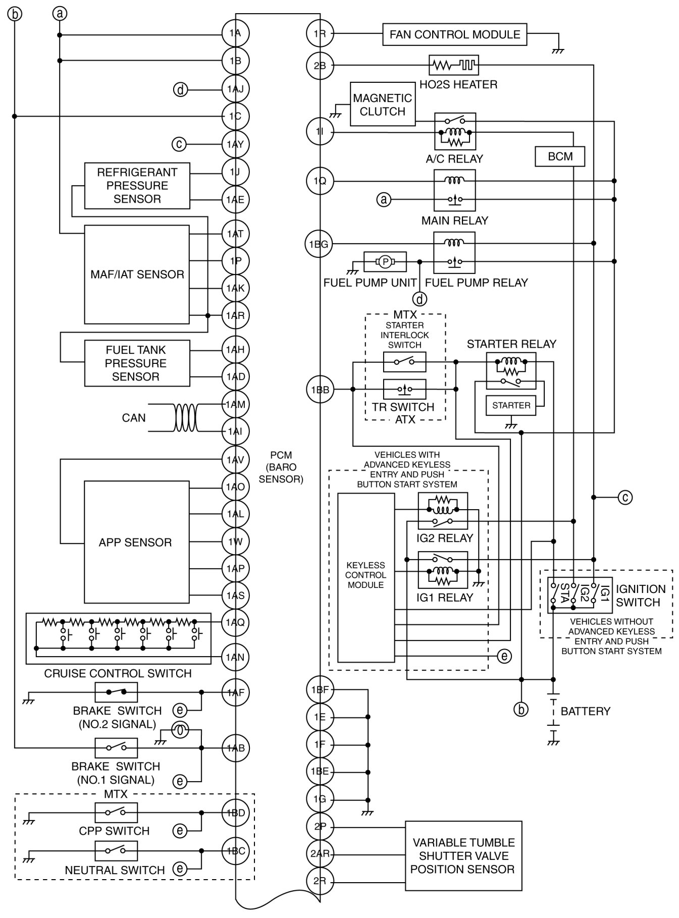
CONTROL SYSTEM WIRING DIAGRAM [MZR 2.5]