lemon-mirror:
Home >> Mazda >> 2012 >> 6 L4-2.5L >> Repair and Diagnosis >> Heating and Air Conditioning >> Solar Sensor >> Locations >> Component Locations

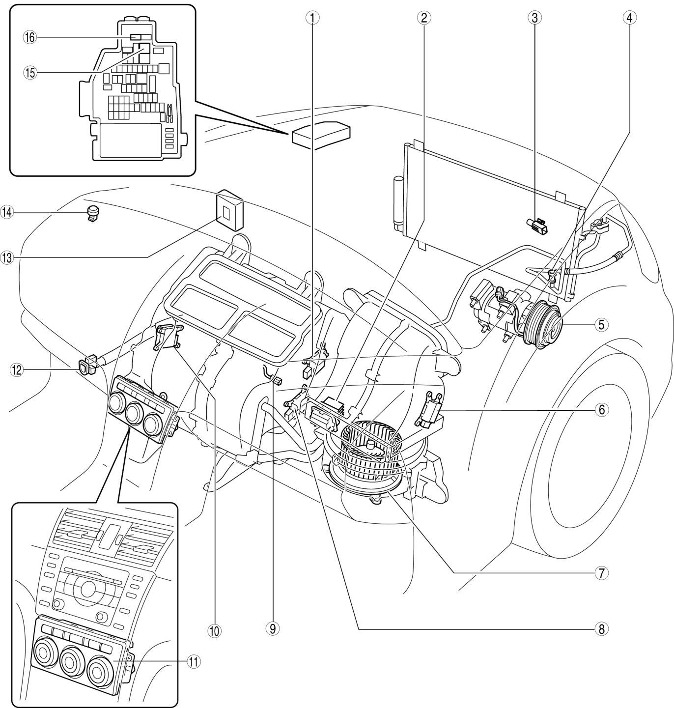
Component Locations





HVAC CONTROL SYSTEM LOCATION INDEX [FULL-AUTO AIR CONDITIONER]