lemon-mirror:
Home >> Mazda >> 2012 >> 5 L4-2.5L >> Repair and Diagnosis >> Power and Ground Distribution >> Relay Box >> Testing and Inspection

Relay Box: Testing and Inspection





RELAY INSPECTION

Relay type





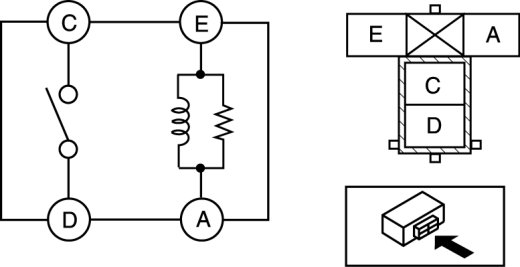
Type A

1. Remove the relay.

2. Verify that the continuity between the relay terminals.






a. Verify that the continuity between terminals E and A.






- If it can be verified, go to the next procedure.

- If it cannot be verified, replace the relay.

b. Apply battery positive voltage to terminal E, and connect terminal A to ground. Verify that the continuity between terminals C and D.






- If it cannot be verified, replace the relay.

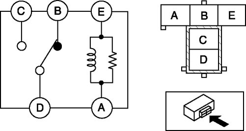
Type B

1. Remove the relay.

2. Verify that the continuity between the relay terminals.






a. Verify that the continuity between terminals E and A.






- If it can be verified, go to the next procedure.

- If it cannot be verified, replace the relay.

b. Apply battery positive voltage to terminal E, and connect terminal A to ground. Verify that the continuity between terminals C and D.






- If it cannot be verified, replace the relay.

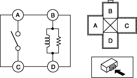
Type C

1. Remove the relay.

2. Verify that the continuity between the relay terminals.






a. Verify that the continuity between terminals E and A.






- If it can be verified, go to the next procedure.

- If it cannot be verified, replace the relay.

b. Verify that the continuity between terminals B and D.






- If it can be verified, go to the next procedure.

- If it cannot be verified, replace the relay.

c. Apply battery positive voltage to terminal E, and connect terminal A to ground. Verify that the continuity between terminals C and D.






- If it cannot be verified, replace the relay.

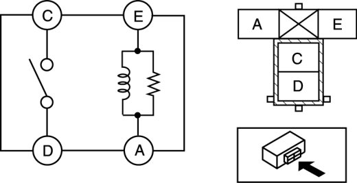
Type D

1. Remove the relay.

2. Verify that the continuity between the relay terminals.






a. Verify that the continuity between terminals B and D.






- If it can be verified, go to the next procedure.

- If it cannot be verified, replace the relay.

b. Apply battery positive voltage to terminal B, and connect terminal D to ground. Verify that the continuity between terminals A and C.






- If it cannot be verified, replace the relay.