lemon-mirror:
Home >> Mazda >> 2012 >> 3 L4-2.0L (SKYACTIV-G) >> Repair and Diagnosis >> Powertrain Management >> Computers and Control Systems >> Engine Control Module >> Service and Repair

Engine Control Module: Service and Repair





PCM REMOVAL/INSTALLATION [SKYACTIV-G 2.0]

1. Remove the battery cover. Removal and Replacement

2. Disconnect the negative battery cable. Removal and Replacement

3. Disconnect the PCM connector. (See PCM Connector Connection Note.)

4. Remove the battery. Removal and Replacement

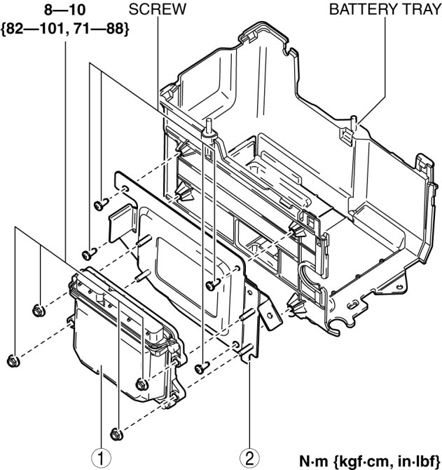
5. Remove the battery tray and PCM component. Removal and Replacement

6. Remove in the order indicated in the table.










7. Install in the reverse order of removal.

8. When replacing the PCM on the vehicles, perform the following:

- PCM configuration Programming and Relearning
- Immobilizer system-related parts programming Keyless Entry System

PCM Connector Connection Note

CAUTION:
- Do not touch the PCM connector terminal. The terminal is extremely thin and can be damaged by touching it.
- If the PCM connector is inserted at an angle and the lever is moved, the connector could be damaged. Verify that the PCM connector is inserted straight.






1. Set the PCM connector to the position shown in the figure.






2. Align the PCM connector straight against the connection surface.






3. Insert the PCM connector straight and press it in until the lever moves up naturally. (Front harness-side connector)






4. Press the PCM connector lever until a click sound is heard.