lemon-mirror:
Home >> Mazda >> 2012 >> 2 L4-1.5L >> Repair and Diagnosis >> Heating and Air Conditioning >> Compressor HVAC >> Compressor Clutch >> Service and Repair

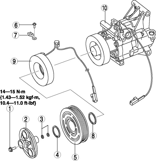
Compressor Clutch: Service and Repair





MAGNETIC CLUTCH DISASSEMBLY/ASSEMBLY [MANUAL AIR CONDITIONER]

1. Assemble in the reverse order of disassembly.










2. Assemble in the reverse order of disassembly.

3. Adjust the magnetic clutch clearance. Adjustments

Bolt Removal/Installation Note

1. When removing or installing the bolt, hold the pressure plate in place as shown in the figure.






2. When installing a new A/C compressor body, replace the bolt.

Stator and Thermal Protector Removal Note

1. After removing the stator and thermal protector, completely remove the silicone adhering to the A/C compressor side.

Stator and Thermal Protector Installation Note

1. Apply approx. 1 g {0.04 oz} of silicone (Shin-Etsu Silicone KE-347W or similar) to the contact surface of the thermal protector, then thoroughly install it onto the A/C compressor, leaving no gaps.






Snap Ring (2) Installation Note

1. When installing a stator and thermal protector, replace the snap ring (2).






Clamp Installation Note

1. When installing a new stator and thermal protector, replace the clamp.

Snap Ring (1) Installation Note

1. When installing a new pressure plate, A/C compressor pulley, stator, or A/C compressor body, replace the snap ring (1).