lemon-mirror:
Home >> Mazda >> 2012 >> 2 L4-1.5L >> Repair and Diagnosis >> Diagrams >> Electrical Diagrams >> Windows

Windows

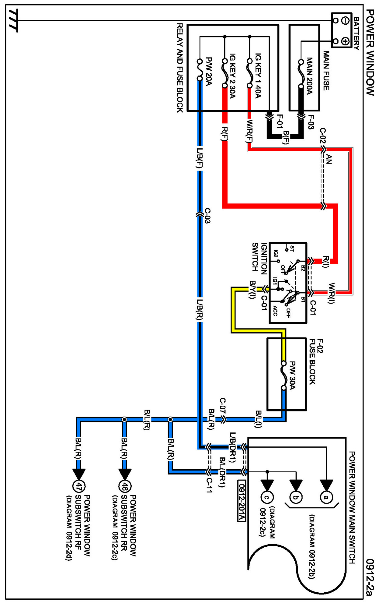
Diagram 0912-2a:




Connectors 0912-2a:




Routing View 0912-2a:






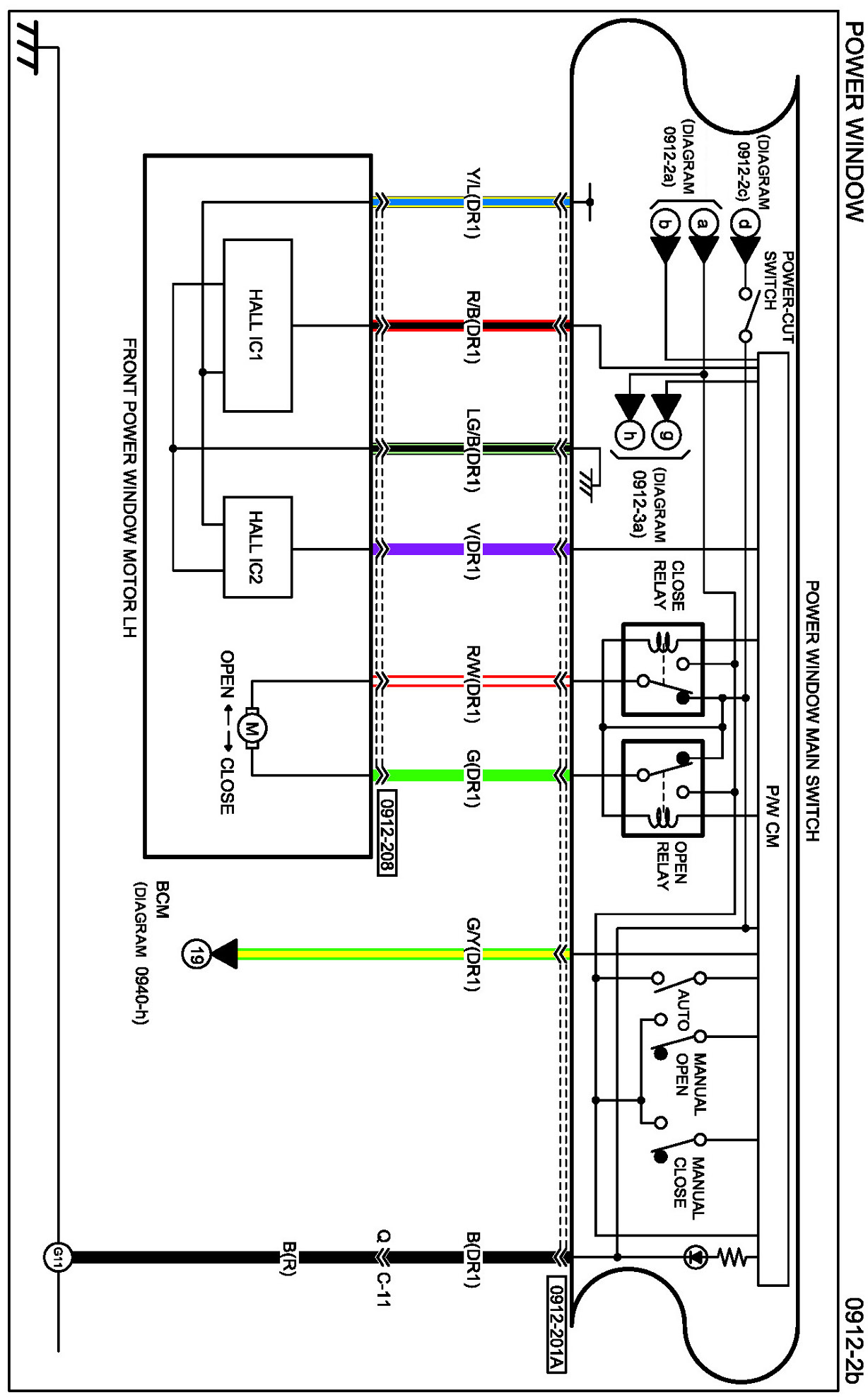
Diagram 0912-2b:




Connectors 0912-2b:




Routing View 0912-2b:






Diagram 0912-2c:




Connectors 0912-2c:




Routing View 0912-2c:






Diagram 0912-2d:




Connectors 0912-2d:




Routing View 0912-2d:






Diagrams: Other diagrams referred to by name within these diagrams can be found at Diagrams by Diagram Name. Diagrams By Diagram Name