lemon-mirror:
Home >> Mazda >> 2012 >> 2 L4-1.5L >> Repair and Diagnosis >> Body and Frame >> Body Control Systems >> Description and Operation

Body Control Systems: Description and Operation





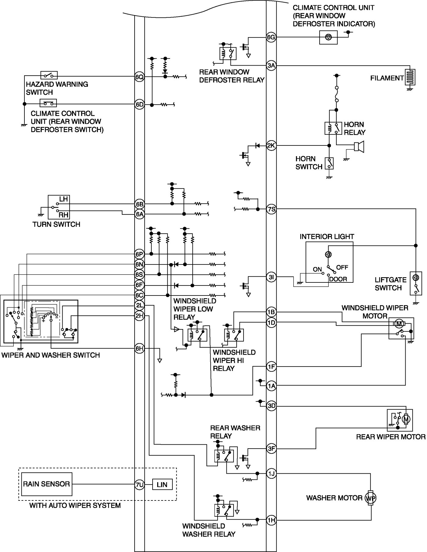
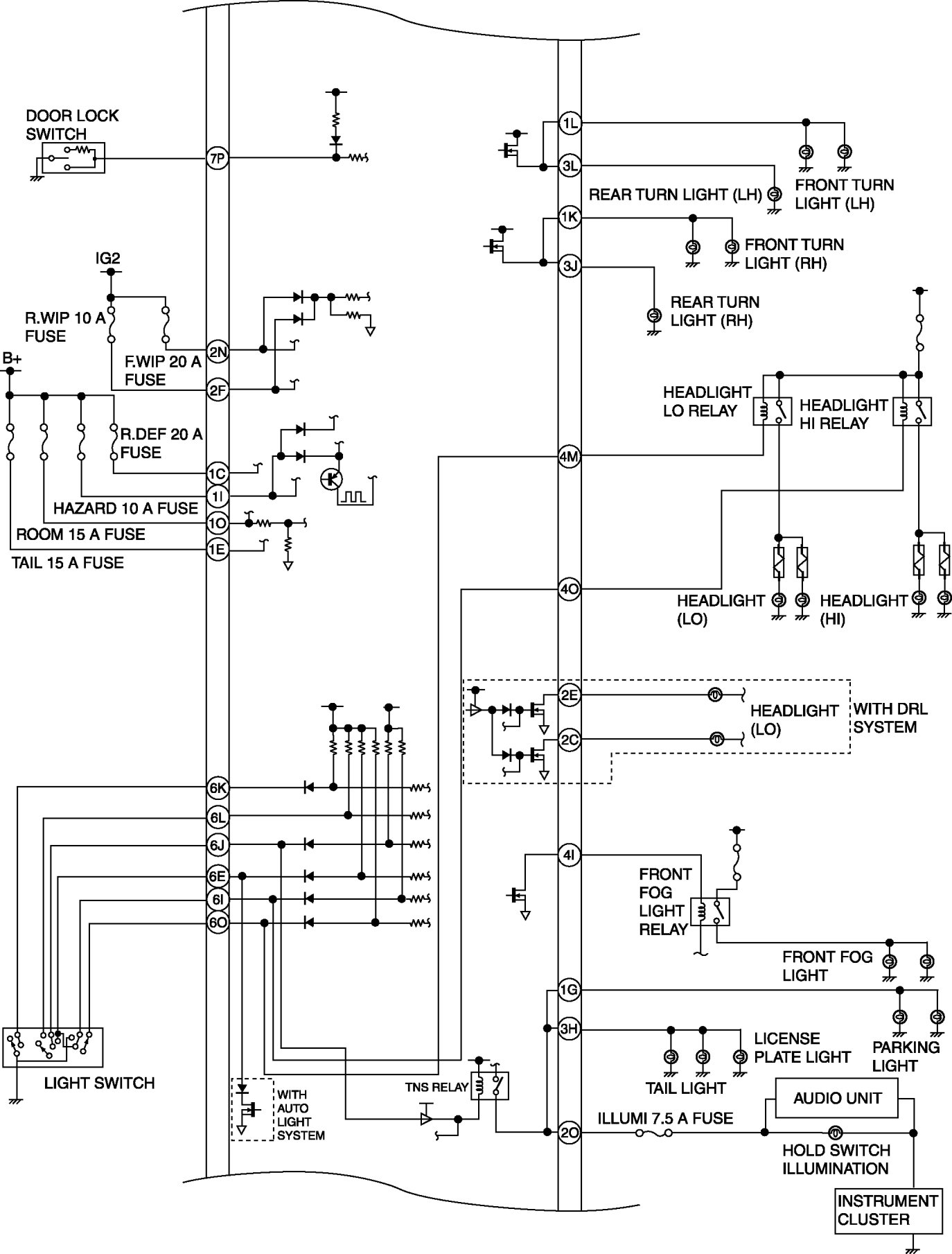
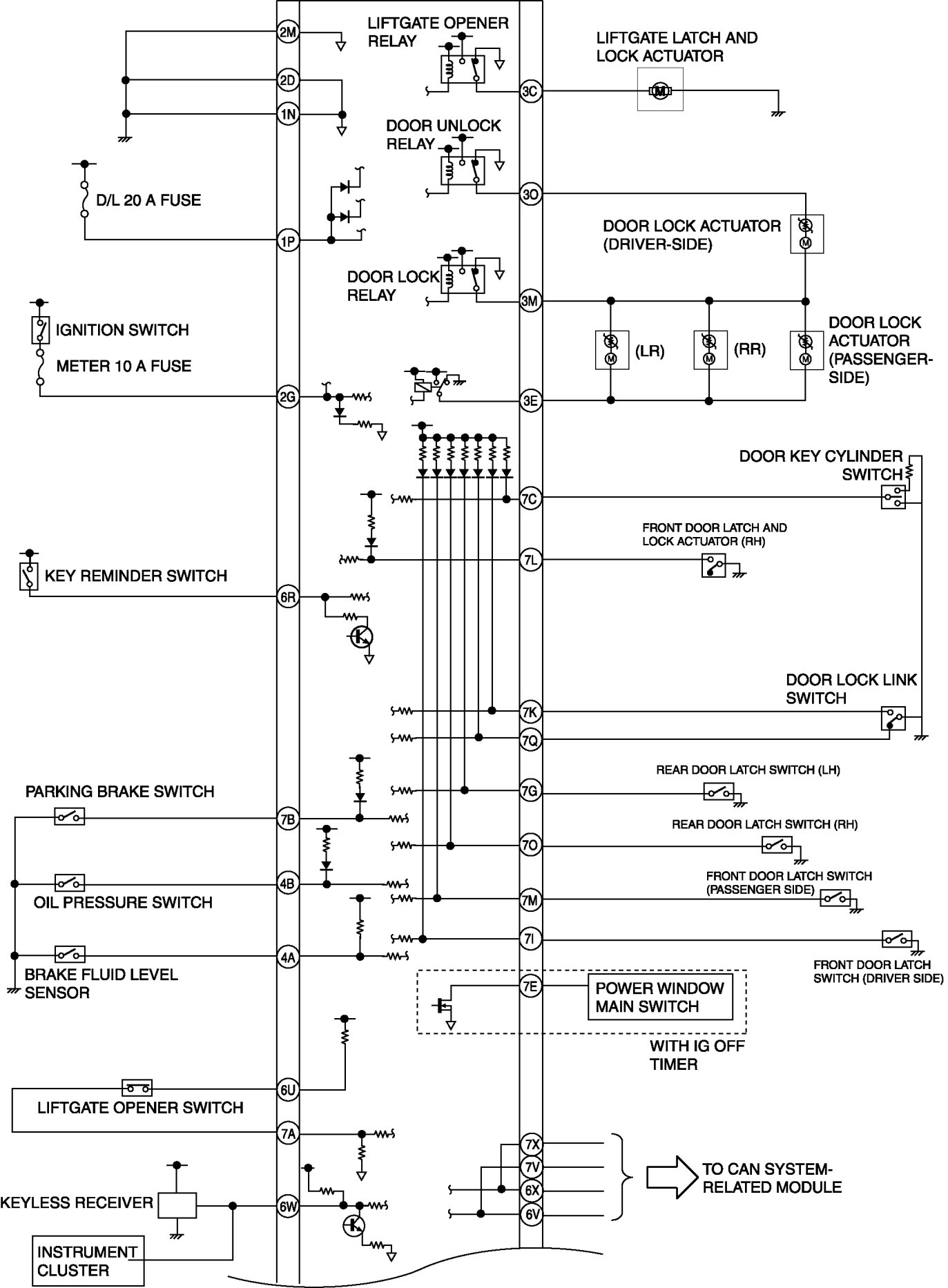
ON-BOARD DIAGNOSTIC WIRING DIAGRAM [BCM]