lemon-mirror:
Home >> Mazda >> 2011 >> Tribute 2WD L4-2.5L >> Repair and Diagnosis >> Powertrain Management >> Computers and Control Systems >> Body Control Module >> Service and Repair >> Smart Junction Box (SJB) Removal/Installation

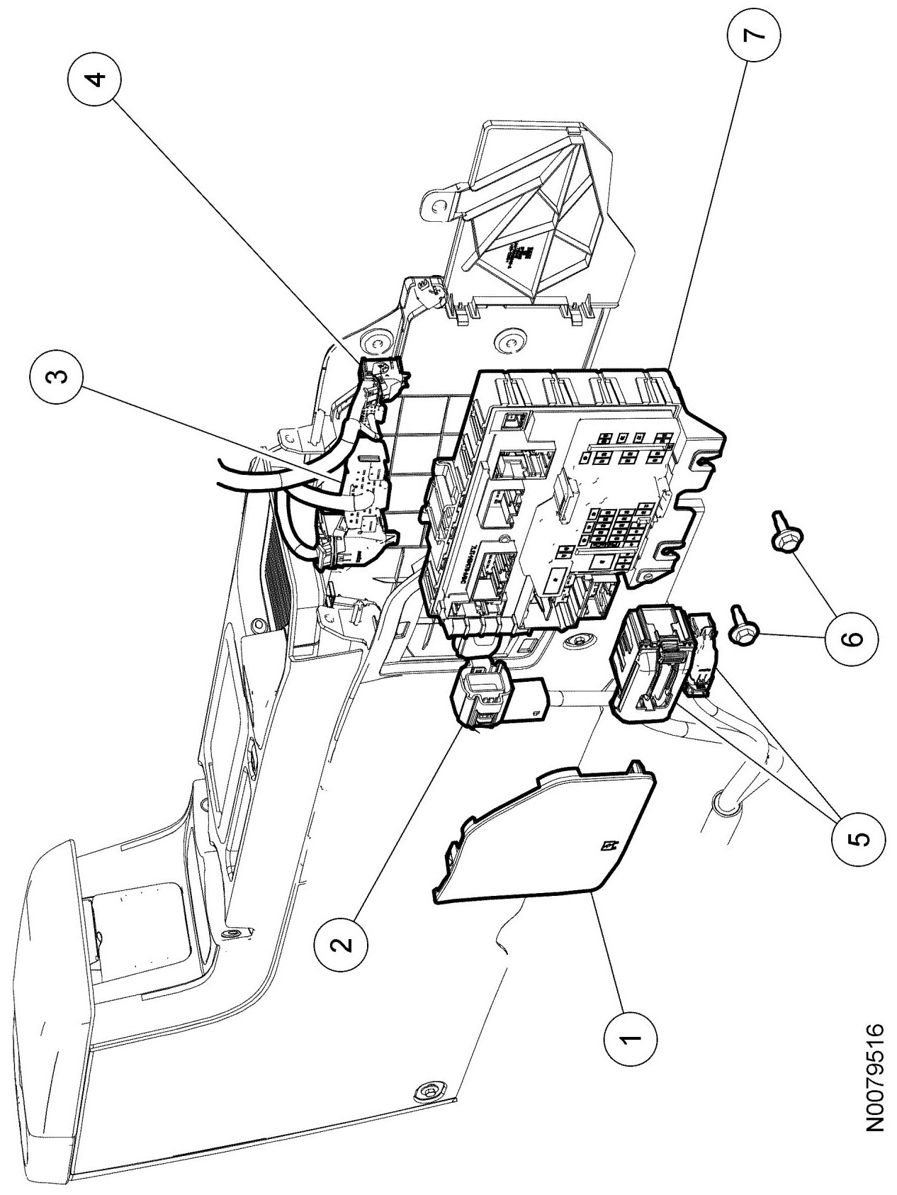
Smart Junction Box (SJB) Removal/Installation




SMART JUNCTION BOX (SJB) REMOVAL/INSTALLATION









Removal

CAUTION:Electronic modules are sensitive to static electrical charges. If exposed to these charges, damage may result.
NOTE:Prior to the replacement of the module, it is necessary to upload the module configuration information to a scan tool. This information must be downloaded into the new smart junction box (SJB) after installation. See Module Configuration. In the event that As-Built data is required (SJB will not communicate), all remote keyless entry (RKE) devices must be programmed to the new SJB. A minimum of 2 RKE devices are necessary to complete the configuration and turn off the flashing interior lights. The tire pressure monitoring system (TPMS) functionality is integral to the SJB.
NOTE:The steps included in the SJB removal and installation procedure are critical to restoring the vehicle security and tire pressure monitoring systems to normal operation. A new SJB is delivered in a manufacturing mode with 7 pre-set DTCs related to the TPMS. To clear the DTCs, successful configuration of the SJB must occur, followed by successful TPMS sensor training, and a successful self-test. The DTCs are as follows:

- B106D (Tire Pressure Monitor System [TPMS] Initiators Not Configured)
- B2477 (Module Configuration Failure)
- B2868 (Left Front Tire Pressure Sensor Fault)
- B2869 (Right Front Tire Pressure Sensor Fault)
- B2870 (Right Rear Tire Pressure Sensor Fault)
- B2871 (Left Rear Tire Pressure Sensor Fault)
- C2780 (ECU in Manufacturer Sub-State)

1. Upload the module configuration information from the SJB. See Module Configuration.

NOTE:This step is necessary only if the SJB is being replaced.
2. Remove the transmission selector lever bezel from the floor console finish panel.

3. Remove the floor console SJB cover.

4. Remove the floor console finish panel.

5. Disconnect the 7 electrical connectors.

6. Remove the 2 bolts and the SJB.

Installation

1. Install the SJB.
a. Install the 2 bolts.

b. Connect the 7 electrical connectors.

2. Install the transmission selector lever bezel into the floor console finish panel.

3. Install the floor console SJB cover.

NOTE:If the SJB was not replaced, this is the last step that is necessary.
4. Download the SJB configuration information from the scan tool. See Module Configuration.

NOTE:When successful, this step provides the calibration necessary for the SJB operation and clears DTCs B2477 and B106D. The clearing of these DTCs indicates the calibration data has been successfully downloaded to the new SJB.
NOTE:The RKE transmitter portion of the integrated keyhead transmitter (IKT) key is automatically transferred during programmable module installation (PMI). Passive anti-theft system (PATS) programming is not necessary. If As-Built data is required during PMI, all remote transmitters (IKT or fob) must be programmed to the new SJB. Cycling the ignition to run for 6 seconds with each IKT will program the RKE function of the IKT key. See Remote Keyless Entry Transmitter Programming for the remote transmitter (fob only) programming instructions.
NOTE:DTC B2276 may be set, indicating there are less than 2 transmitters programmed to the SJB. See Locks, Latches And Entry Systems - DTC Chart.
5. Train the tire pressure sensors. See Tire Pressure Monitoring System (TPMS) Sensor Training.

NOTE:When successful, this step clears DTCs B2868, B2869, B2870 and B2871. The clearing of these DTCs indicates the SJB has recognized the tire pressure sensors during the training procedure.
6. Carry out the SJB self-test (must include an on-demand self-test) and then repeat the self-test to confirm all DTCs have been cleared.

NOTE:DTC C2780 will not clear if any other DTCs are present in the SJB. When successful, this step clears DTC C2780.
7. Rotate the instrument panel dimmer switch from the full dim position to the dome ON position. This will make sure that all displays are visible under all lighting conditions.