lemon-mirror:
Home >> Mazda >> 2011 >> Tribute 2WD L4-2.5L >> Repair and Diagnosis >> Diagrams >> Exploded Views >> Engine >> Cylinder Head Assembly

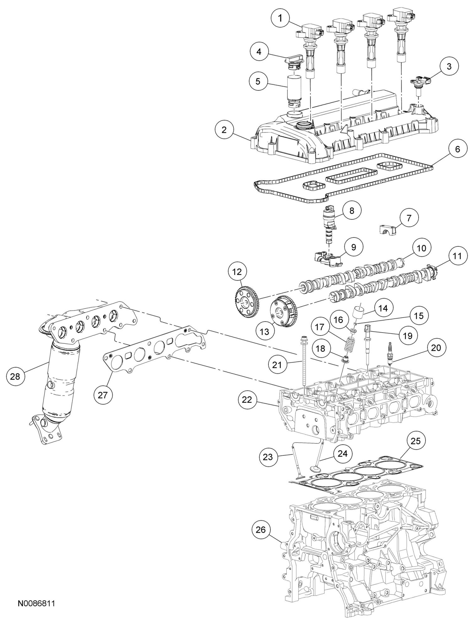
Cylinder Head Assembly




CYLINDER HEAD - HYBRID EXPLODED VIEW









1. For additional information, see the procedures.