lemon-mirror:
Home >> Mazda >> 2011 >> Tribute 2WD L4-2.5L >> Repair and Diagnosis >> Diagrams >> Electrical Diagrams >> Starting and Charging >> Power Distribution Module

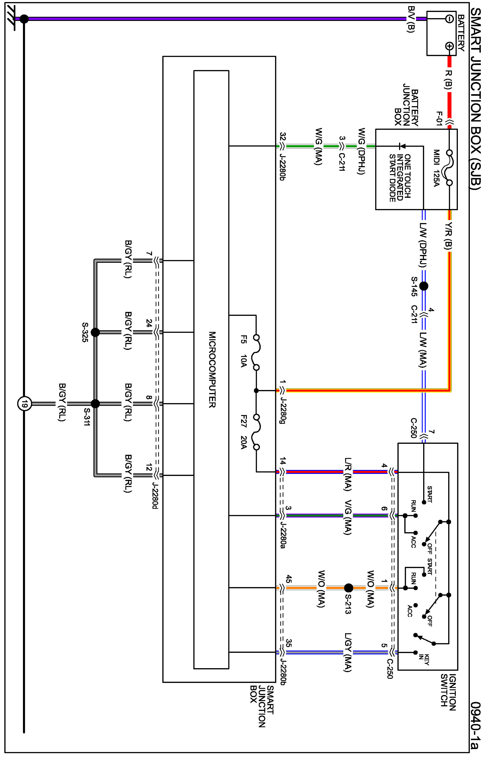
Power Distribution Module

Smart Junction Box (SJB):




Routing View:




Smart Junction Box (SJB):




Routing View:




Smart Junction Box (SJB):




Routing View:






Diagrams: Other diagrams referred to by name within these diagrams can be found at Diagrams by Diagram Name. Diagrams By Diagram Name