lemon-mirror:
Home >> Mazda >> 2011 >> Tribute 2WD L4-2.5L Hybrid >> Repair and Diagnosis >> Diagrams >> Exploded Views >> Engine >> Intake Manifold

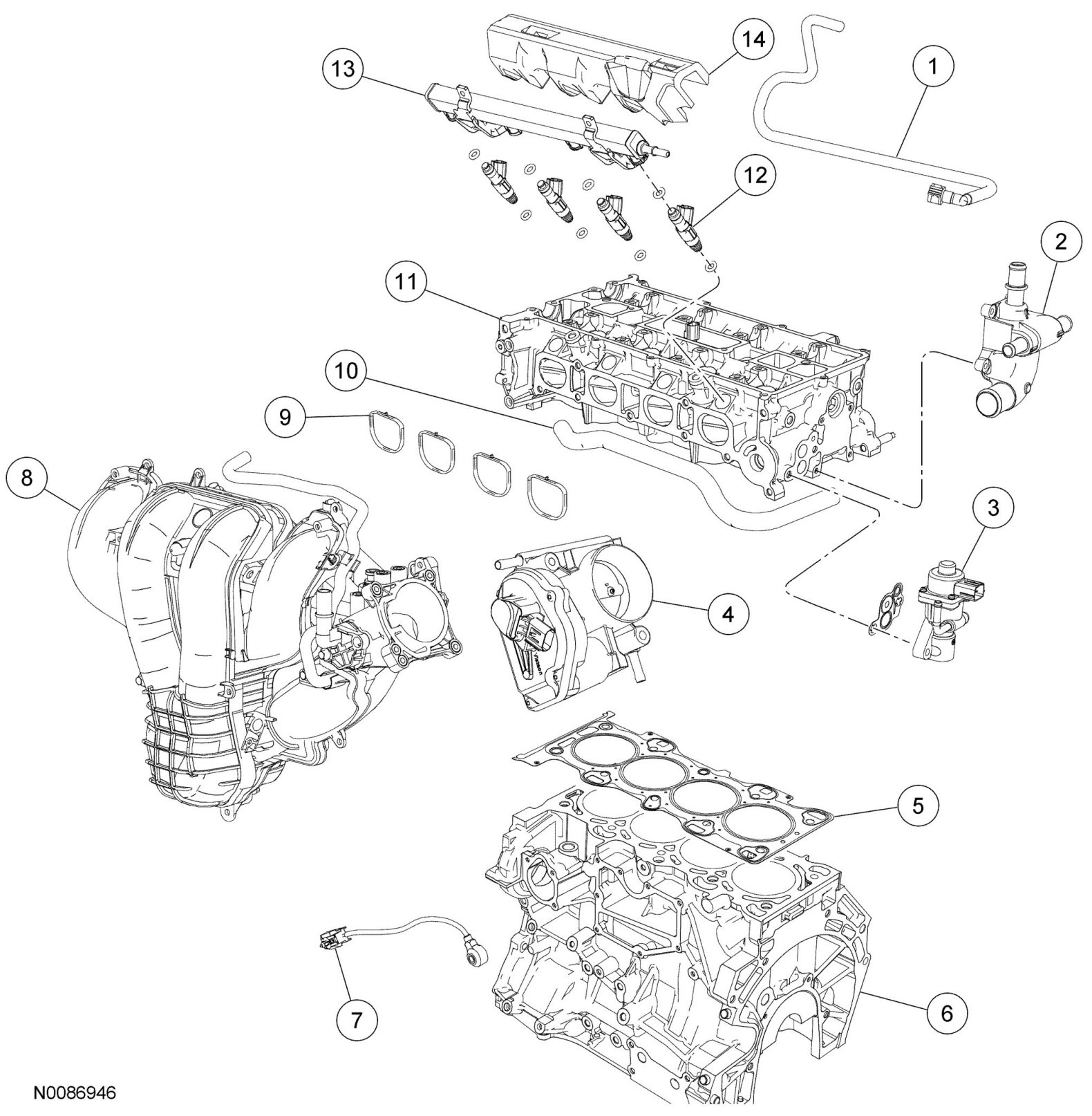
Intake Manifold




INTAKE MANIFOLD - HYBRID EXPLODED VIEW

Intake Manifold










1. For additional information, see the procedures.