lemon-mirror:
Home >> Mazda >> 2011 >> RX8 2RTR-1.3L >> Repair and Diagnosis >> Power and Ground Distribution >> Relay Box >> Testing and Inspection

Relay Box: Testing and Inspection




RELAY INSPECTION

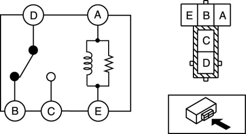
Relay type





Type A

1. Verify the continuity between the relay terminals.






- If not as indicated in the table, replace the relay.





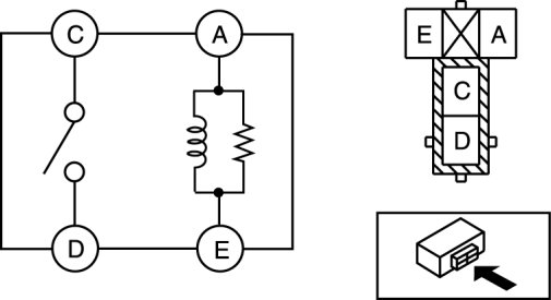
Type B

1. Verify the continuity between the relay terminals.






- If not as indicated in the table, replace the relay.





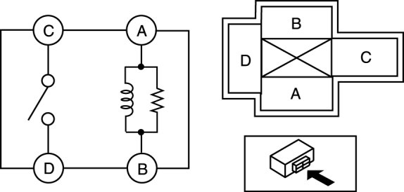
Type C

1. Verify the continuity between the relay terminals.






- If not as indicated in the table, replace the relay.