lemon-mirror:
Home >> Mazda >> 2011 >> Mazdaspeed3 L4-2.3L Turbo >> Repair and Diagnosis >> Powertrain Management >> Computers and Control Systems >> Relays and Modules - Computers and Control Systems >> Engine Control Module >> Service and Repair

Engine Control Module: Service and Repair




PCM REMOVAL/INSTALLATION [L3 WITH TC]

1. Remove the battery cover. Removal and Replacement

2. Disconnect the negative battery cable.

3. Remove the battery and battery tray. Removal and Replacement

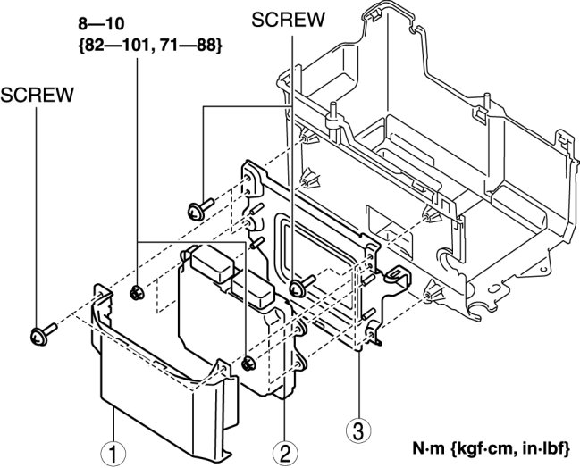
4. Remove the following items: Removal and Replacement

- Battery
- PCM cover No.1

5. Disconnect the PCM connector.

6. Remove the battery tray and PCM component. Removal and Replacement

7. Remove in the order indicated in the table.










8. Install in the reverse order of removal.

CAUTION:
- If the PCM connector is connected incorrectly it could be damaged. When connecting the PCM connector, connect it using the following procedure.
- If the PCM connector is inserted at an angle and the lever is moved, the connector could be damaged. Verify that the PCM connector is inserted straight.






9. Verify that the PCM connector lever is tilted towards the wiring harness side as shown in the figure.






10. Insert the PCM connector straight until it contacts the PCM and verify that the lever reverts upward naturally.

11. Push the lever until a click is heard.






12. When replacing the PCM on the vehicles, perform the following:

- PCM configuration Programming and Relearning
- Immobilizer system component replacement/key addition and clearing Keyless Entry System Advanced Keyless Entry and Push Button Start System