lemon-mirror:
Home >> Mazda >> 2011 >> Mazdaspeed3 L4-2.3L Turbo >> Repair and Diagnosis >> Powertrain Management >> Computers and Control Systems >> Body Control Module >> Description and Operation

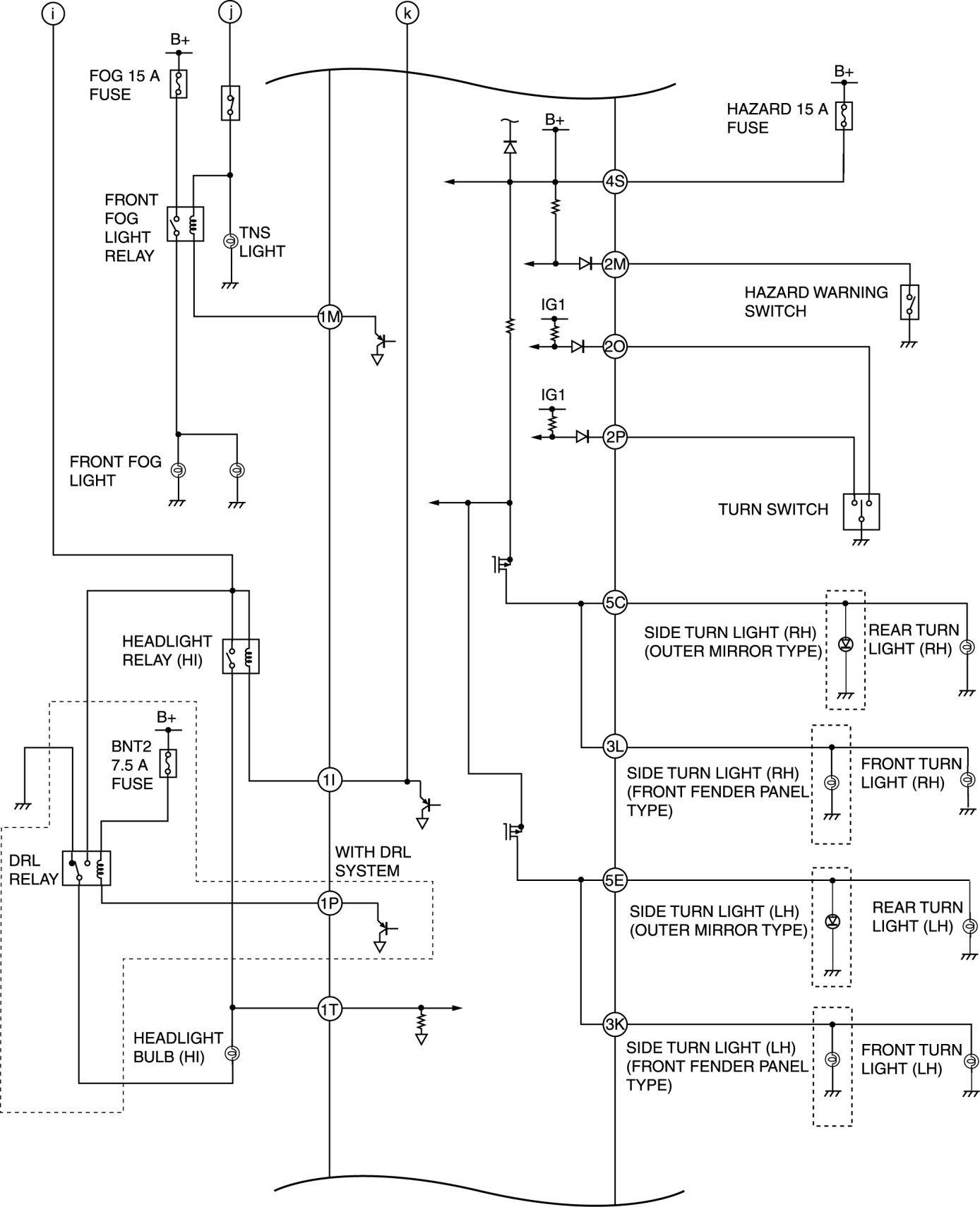
Body Control Module: Description and Operation




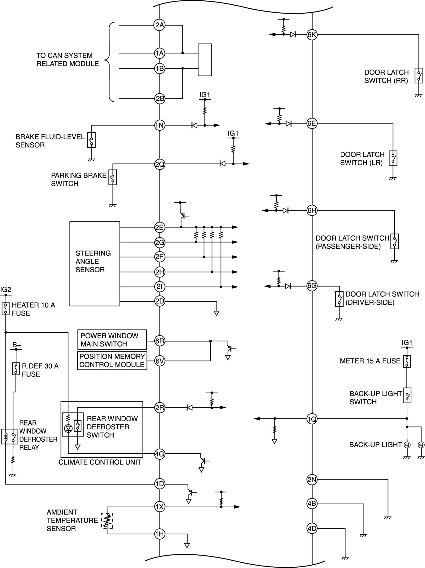
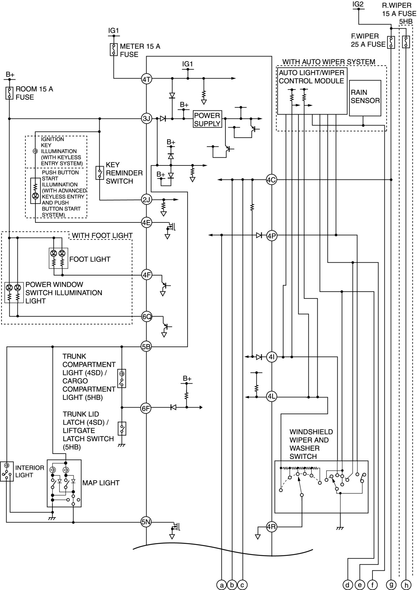
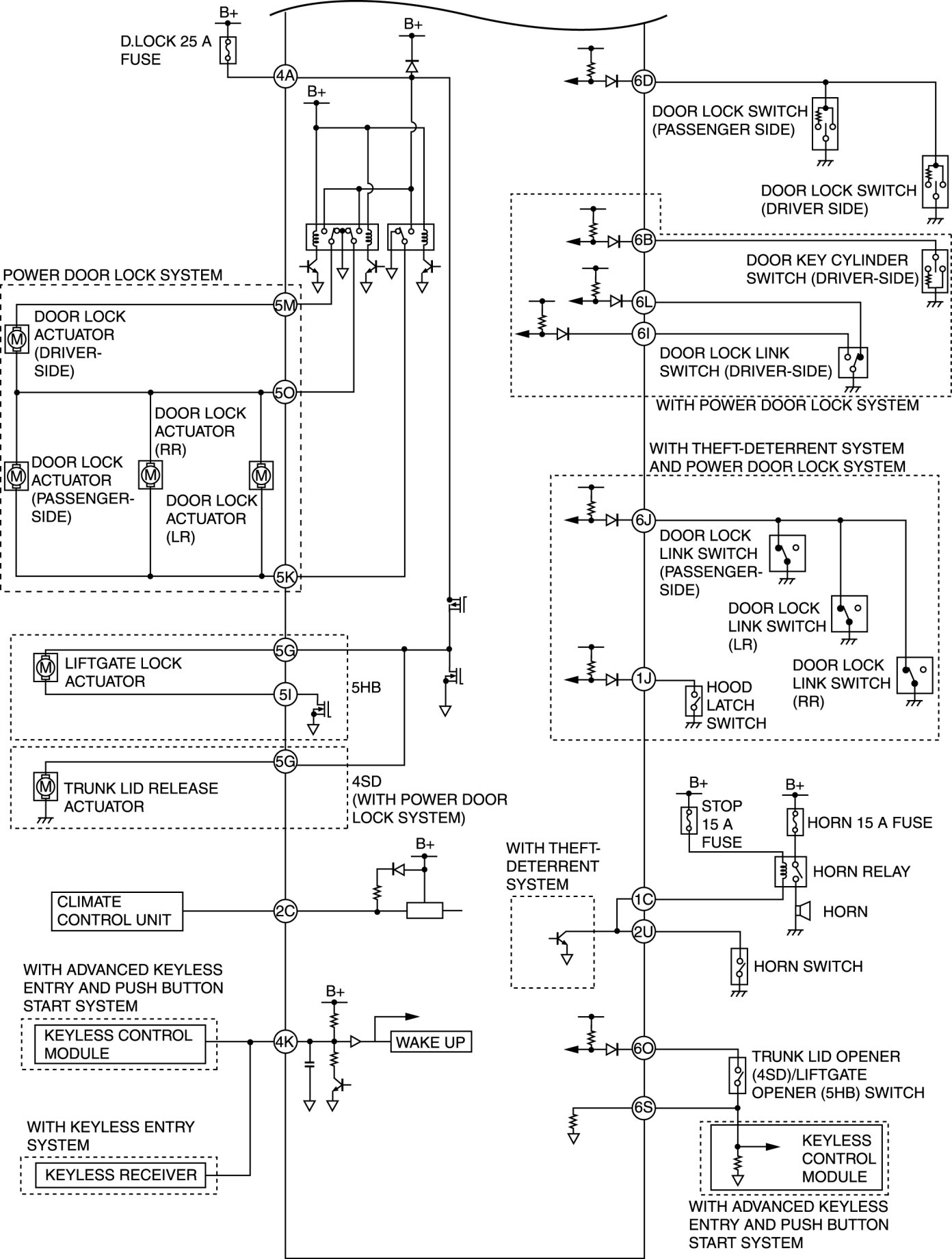
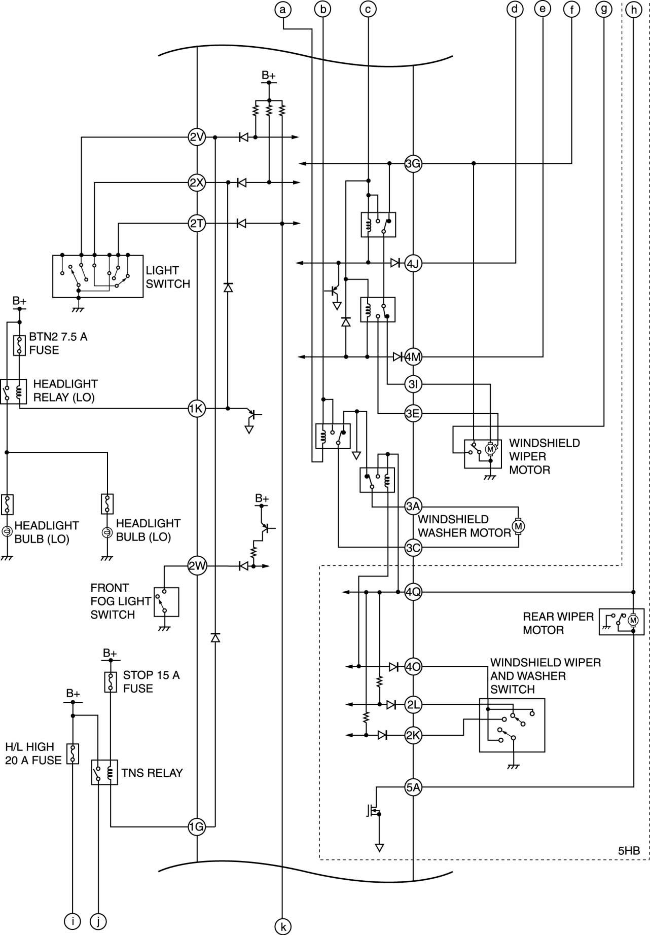
ON-BOARD DIAGNOSTIC WIRING DIAGRAM [BCM]