lemon-mirror:
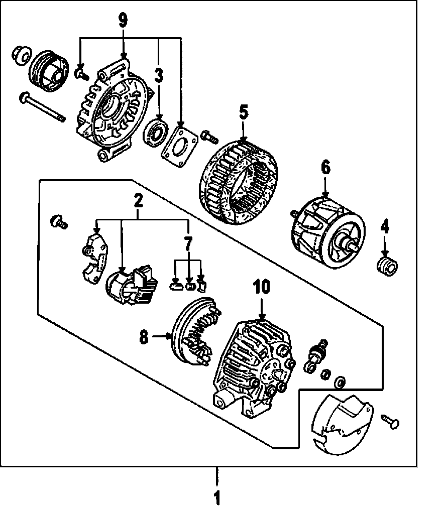
Home >> Mazda >> 2011 >> MX-5 Miata L4-2.0L >> Parts and Labor >> Starting and Charging >> Charging System >> Images

Images

Charging System: