lemon-mirror:
Home >> Mazda >> 2011 >> CX-7 FWD L4-2.5L >> Repair and Diagnosis >> Heating and Air Conditioning >> Control Assembly >> Service and Repair >> Overhaul

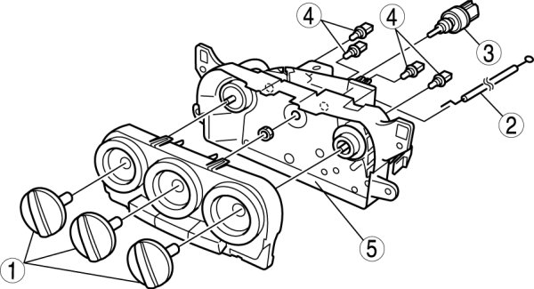
Overhaul




CLIMATE CONTROL UNIT DISASSEMBLY/ASSEMBLY [MANUAL AIR CONDITIONER]

Disassemble in the order indicated in the table.










Wire Disassembly Note

1. Disassemble the wire in the shown in the figure.






Wire Assembly Note

1. Assemble the wire to the position as shown in the figure.