lemon-mirror:
Home >> Mazda >> 2011 >> CX-7 FWD L4-2.3L Turbo >> Repair and Diagnosis >> Diagrams >> Exploded Views >> Engine

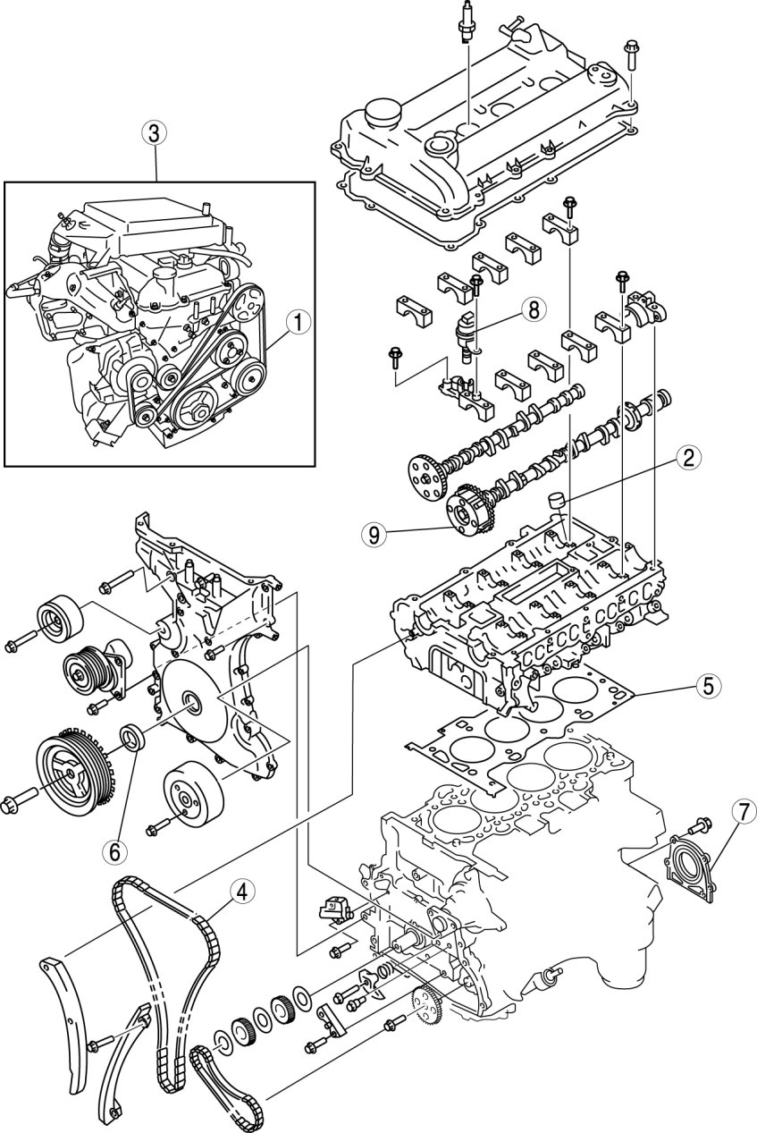
Engine




ENGINE LOCATION INDEX [L3 WITH TC]