lemon-mirror:
Home >> Mazda >> 2011 >> CX-7 AWD L4-2.3L Turbo >> Repair and Diagnosis >> Transmission and Drivetrain >> Transfer Case >> Control Module >> Service and Repair

Control Module: Service and Repair




AWD CONTROL MODULE REMOVAL/INSTALLATION

1. Disconnect the negative battery cable.

2. Remove the lower panel (Driver's side). Lower Panel Removal/Installation

3. Remove in the order indicated in the table.

4. Install in the reverse order of removal.









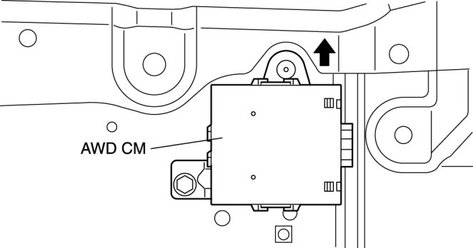
AWD CM Removal Note

1. Push up the AWD CM slightly, and remove it.