lemon-mirror:
Home >> Mazda >> 2011 >> 2 L4-1.5L >> Repair and Diagnosis >> Power and Ground Distribution >> Relay Box >> Testing and Inspection

Relay Box: Testing and Inspection




RELAY INSPECTION

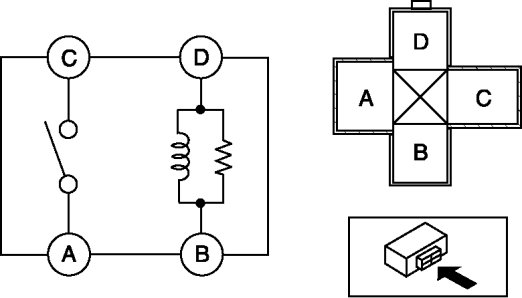
Relay Type





Type A

1. Verify that the continuity is as indicated in the table.






- If not as indicated in the table, replace the relay.





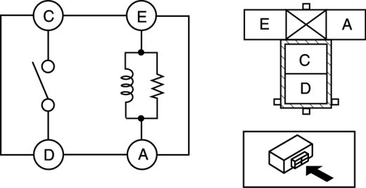
Type B

1. Verify that the continuity is as indicated in the table.






- If not as indicated in the table, replace the relay.





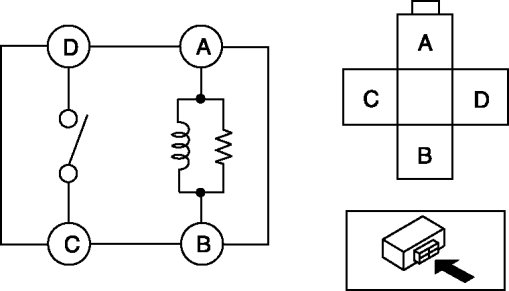
Type C

1. Verify that the continuity is as indicated in the table.






- If not as indicated in the table, replace the relay.