lemon-mirror:
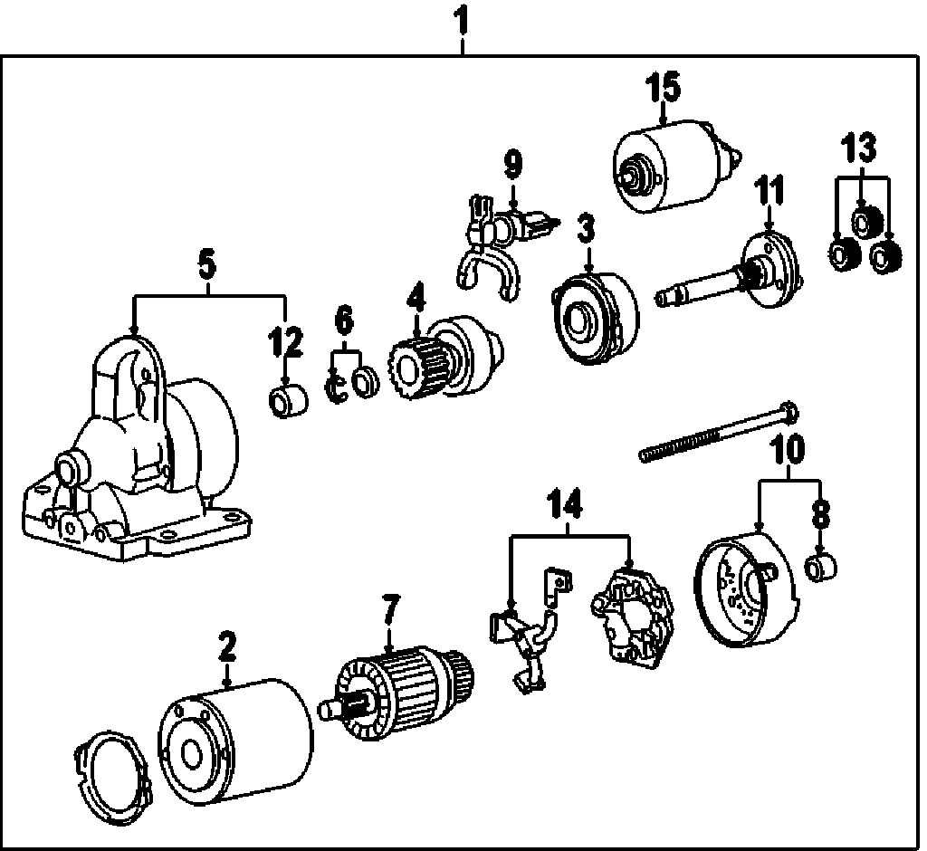
Home >> Mazda >> 2010 >> CX-9 FWD V6-3.7L >> Parts and Labor >> Starting and Charging >> Starting System >> Images

Images

Starting System: