lemon-mirror:
Home >> Mazda >> 2010 >> CX-7 FWD L4-2.5L >> Repair and Diagnosis >> Powertrain Management >> Computers and Control Systems >> Body Control Module >> Description and Operation

Body Control Module: Description and Operation




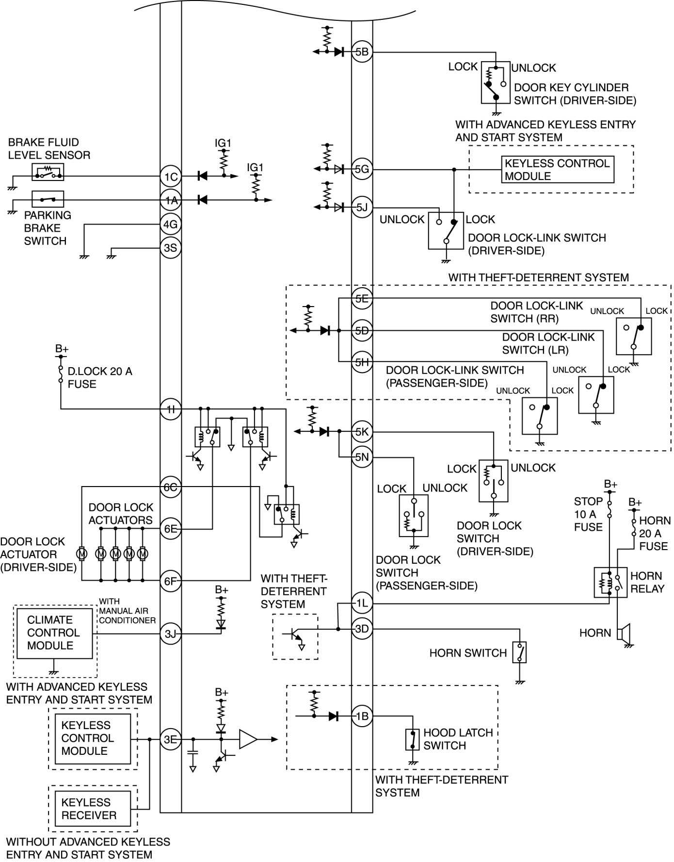
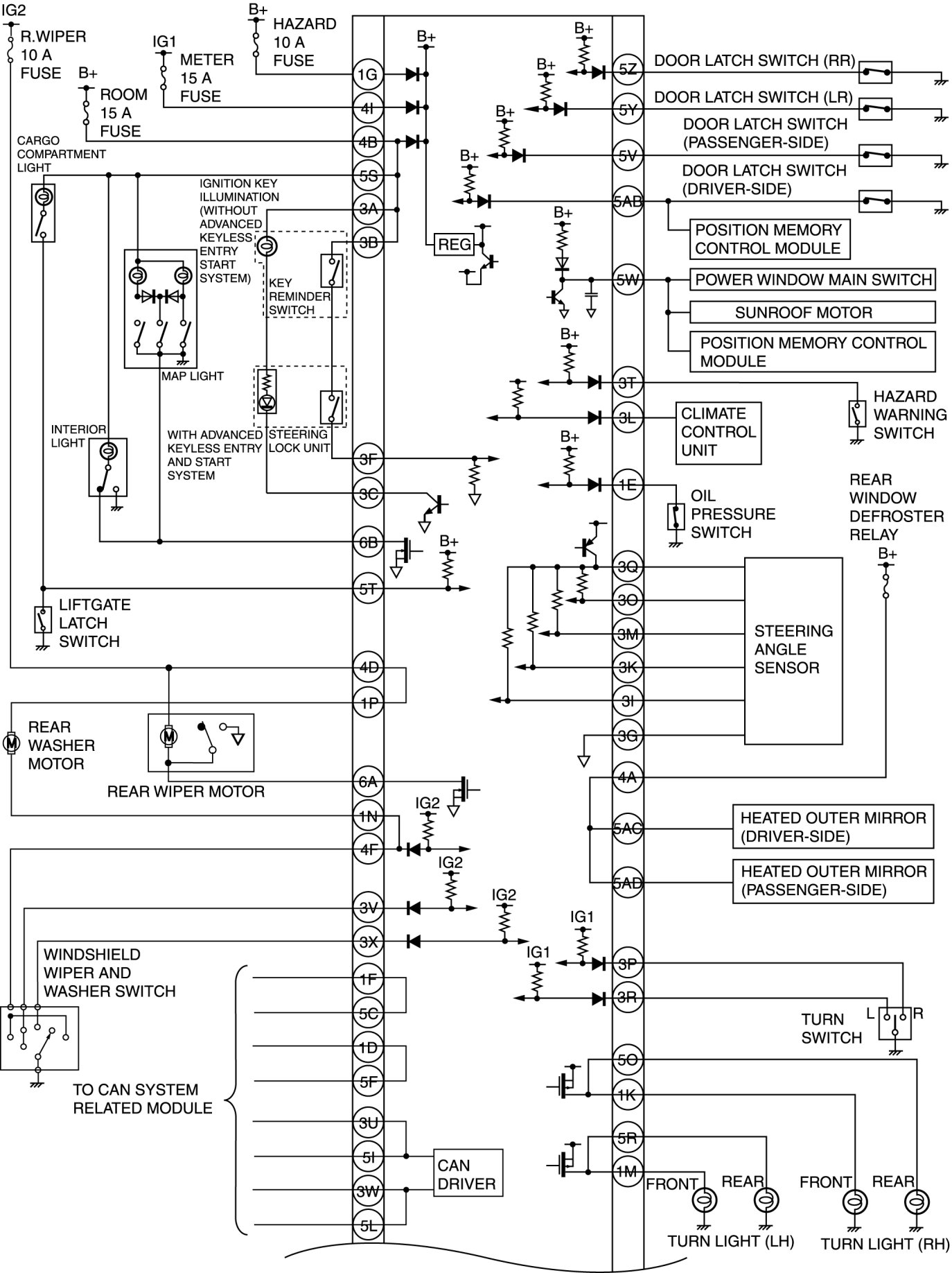
ON-BOARD DIAGNOSTIC WIRING DIAGRAM [BCM]