lemon-mirror:
Home >> Mazda >> 2010 >> 6 L4-2.5L >> Repair and Diagnosis >> Powertrain Management >> Computers and Control Systems >> Transmission Position Sensor/Switch >> Locations >> Component Locations

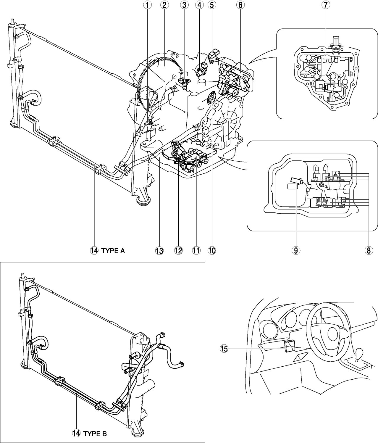
Component Locations




AUTOMATIC TRANSAXLE LOCATION INDEX [FS5A-EL]