lemon-mirror:
Home >> Mazda >> 2010 >> 5 L4-2.3L >> Repair and Diagnosis >> Windows and Glass >> Windows >> Power Window Switch >> Testing and Inspection >> Power Window Subswitch Inspection

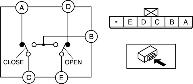
Power Window Subswitch Inspection




POWER WINDOW SUBSWITCH INSPECTION

1. Verify continuity as indicated in the table.






- If not as indicated in the table, replace the power window subswitch.