lemon-mirror:
Home >> Mazda >> 2010 >> 5 L4-2.3L >> Repair and Diagnosis >> Specifications >> Mechanical Specifications >> Engine >> Intake Manifold

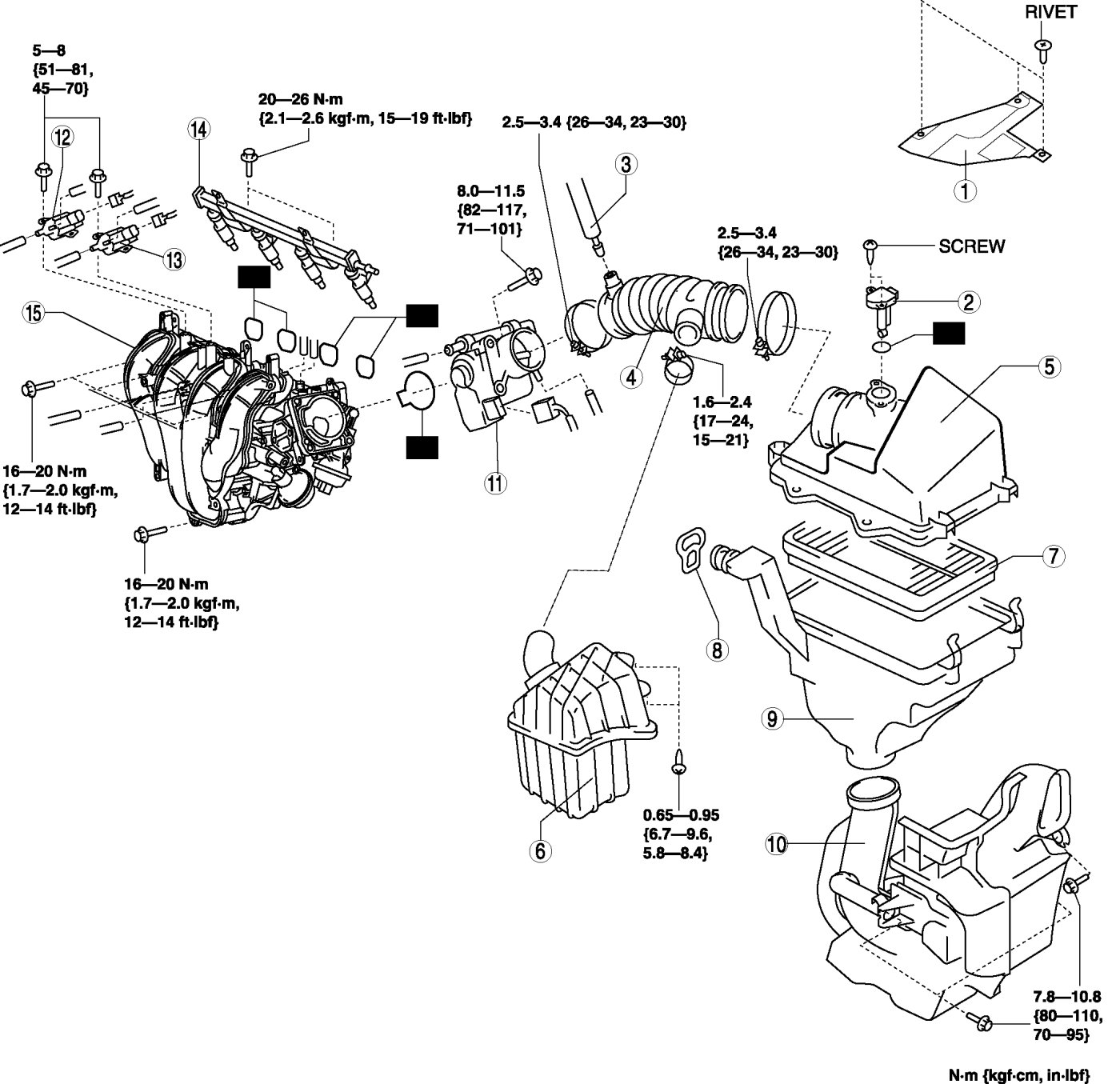
Intake Manifold

Intake Manifold






Torque 16-20 N.m {1.7-2.0 kgf.m, 12-14 ft.lbf}