lemon-mirror:
Home >> Mazda >> 2010 >> 3 L4-2.5L >> Repair and Diagnosis >> Power and Ground Distribution >> Relay Box >> Testing and Inspection >> Relay Inspection

Relay Inspection




RELAY INSPECTION

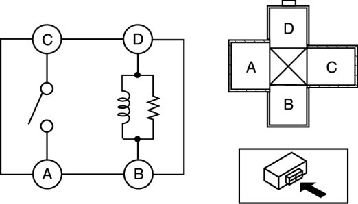
Relay Type





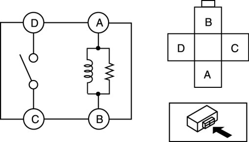
Type A

1. Verify that the continuity is as indicated in the table.






- If not as indicated in the table, replace the relay.






Type B

1. Verify that the continuity is as indicated in the table.






- If not as indicated in the table, replace the relay.






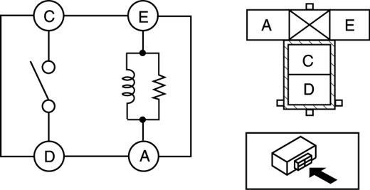
Type C

1. Verify that the continuity is as indicated in the table.






- If not as indicated in the table, replace the relay.






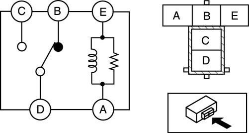
Type D

1. Verify that the continuity is as indicated in the table.






- If not as indicated in the table, replace the relay.






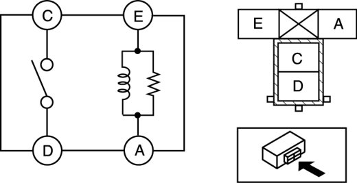
Type E

1. Verify that the continuity is as indicated in the table.






- If not as indicated in the table, replace the relay.