lemon-mirror:
Home >> Mazda >> 2009 >> Tribute 2WD V6-3.0L >> Repair and Diagnosis >> Powertrain Management >> Ignition System >> Locations

Ignition System: Locations



-
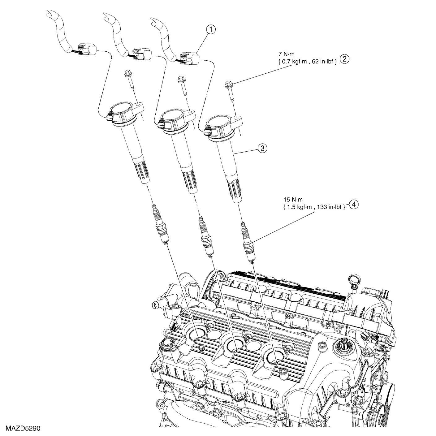
ENGINE IGNITION COMPONENTS - EXPLODED VIEW

Engine Ignition - RH










Engine Ignition - LH










1. For additional information, see the procedures.