lemon-mirror:
Home >> Mazda >> 2009 >> Tribute 2WD L4-2.5L >> Repair and Diagnosis >> Diagrams >> Exploded Views >> Engine >> Cylinder Head Assembly

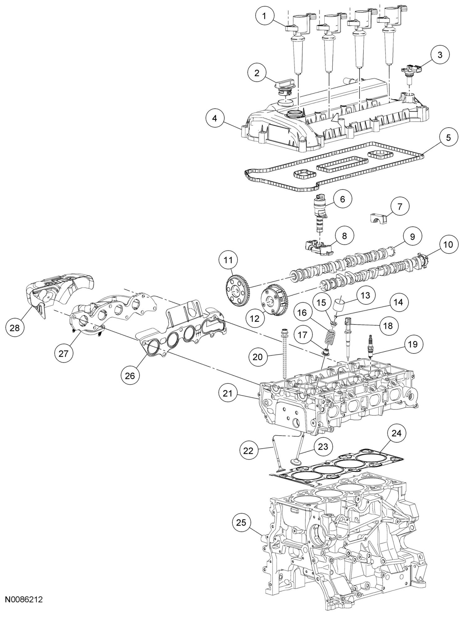
Cylinder Head Assembly



-
CYLINDER HEAD EXPLODED VIEW - 2.5L










1. For additional information, see the procedures.