lemon-mirror:
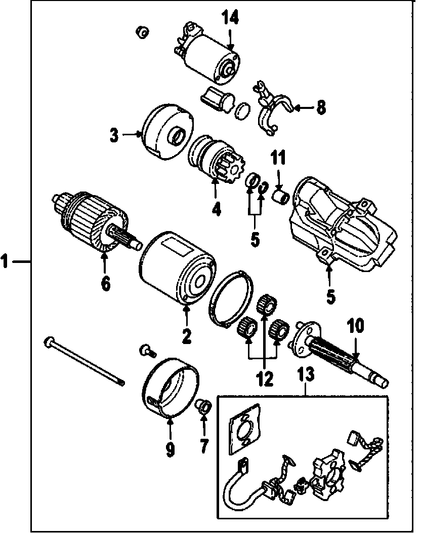
Home >> Mazda >> 2009 >> MX-5 Miata L4-2.0L >> Parts and Labor >> Starting and Charging >> Starting System >> Images

Images

Starting System: