lemon-mirror:
Home >> Mazda >> 2009 >> 6 V6-3.7L >> Repair and Diagnosis >> Specifications >> Mechanical Specifications >> Engine >> Intake Manifold

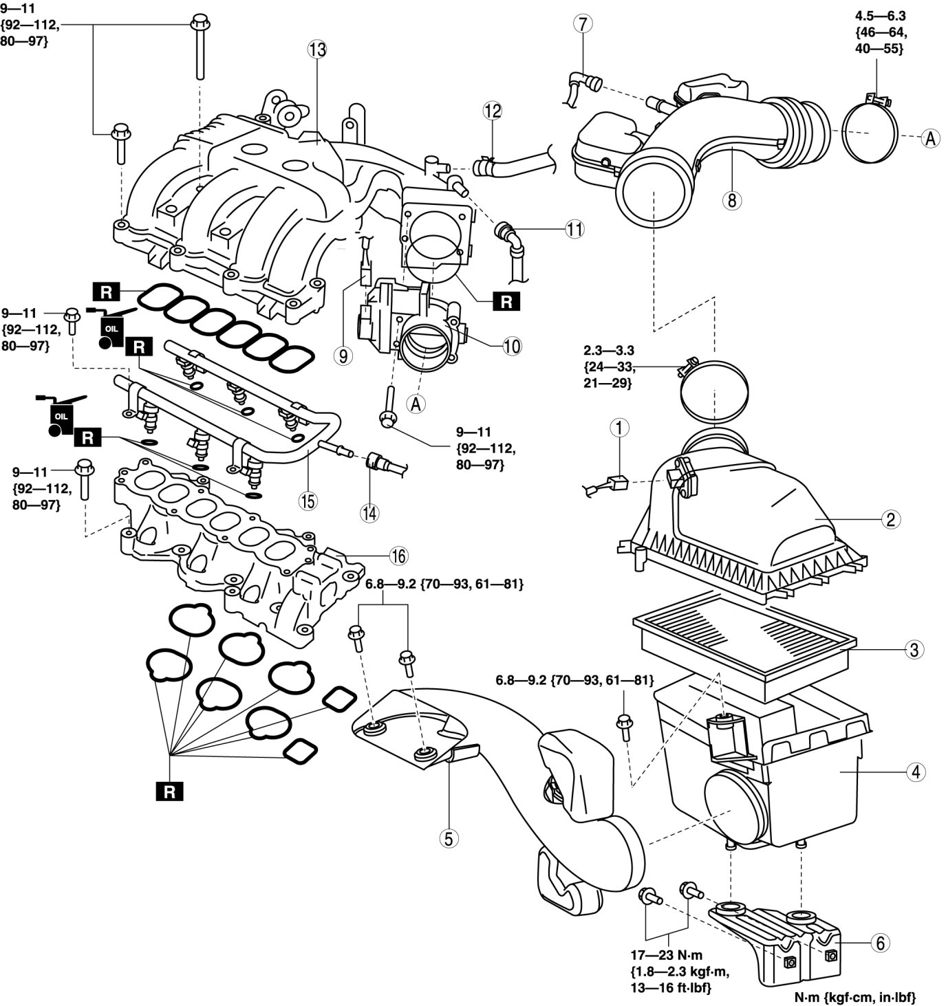
Intake Manifold





Intake Manifold Installation Note

1. Tighten the intake manifold installation bolts in the order shown.






Intake manifold installation bolt tightening torque
- 9-11 Nm {92-112 kgf-cm, 80-97 in-lbf}

Dynamic Chamber Installation Note

1. Tighten the dynamic chamber installation bolts in the order shown.






Dynamic chamber installation bolt tightening torque
- 9-11 Nm {92-112 kgf-cm, 80-97 in-lbf}