lemon-mirror:
Home >> Mazda >> 2009 >> 6 L4-2.5L >> Repair and Diagnosis >> Powertrain Management >> Emission Control Systems >> Service and Repair

Emission Control Systems: Service and Repair




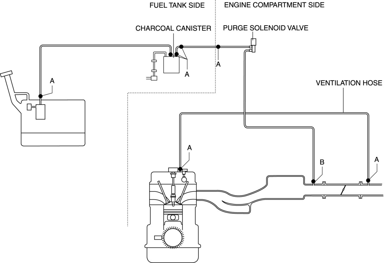
QUICK RELEASE CONNECTOR (EMISSION SYSTEM) REMOVAL/INSTALLATION [L5]

Quick Release Connector Type

CAUTION:
- There are two types of quick release connectors. Verify the type and location, and install/remove properly.






Type A Removal

CAUTION:
- Be careful not to damage the pipe when unlocking the retainer.

NOTE:
- When removing the quick release connector, either SST 49 E042 001 or 49 N013 103A (Part of 49 N013 1A0D) can be used.

When using SST 49 E042 001

NOTE:
- If the quick release connector is removed, replace the retainer with a new one.

1. Set the SST parallel to the quick release connector.






NOTE:
- The quick release connector can be removed by pushing the center of the retainer tabs.
- The retainer is attached to the pipe even after the connector is disconnected.

2. Hold the center of the retainer tabs with the SST ends and press the retainer.

3. Pull the connector side and disconnect the quick release connector.

4. Raise a retainer tab using the SST and remove the retainer.






5. Cover the disconnected quick release connector and evaporative pipe with vinyl sheeting or a similar material to prevent it from scratches or dirt.

When using SST 49 N013 103A (Part of 49 N013 1A0D)

1. Insert the SST into the quick release connector.






2. Pull out the evaporative hose straight from the evaporative pipe and disconnect it.

3. Cover the disconnected quick release connector and evaporative pipe with vinyl sheeting or a similar material to prevent it from scratches or dirt.

Type B Removal

1. Complete the "BEFORE SERVICE PRECAUTION". Before Service Precaution

2. Move the retainer upward using a small flathead screwdriver or a similar tool.






3. Pull out the fuel hose straight from the fuel pipe and disconnect it.

4. Cover the disconnected quick release connector and fuel pipe with vinyl sheeting or a similar material to prevent it from scratches or dirt.

Type A Installation

CAUTION:
- Always replace the retainer with a new one when using SST 49 E042 001, otherwise, evaporative leakage could result.

NOTE:
- If the quick release connector O-ring is damaged or has slipped, replace the piping component.
- A checker tab is integrated with the quick release connector for new evaporative hoses and evaporative hoses. Remove the checker tab from the quick release connector after the connector is completely engaged with the evaporative pipe.






1. Inspect the evaporative hose and evaporative pipe sealing surface for damage and deformation.

- If there is any malfunction, replace it with a new one.

2. Apply a small amount of clean engine oil to the sealing surface of the evaporative pipe.

3. Install a new retainer to the quick release connector.

4. Reconnect the hose straight to the pipe until a click is heard.

5. Lightly pull and push the quick release connector a few times by hand, and then verify that it is connected securely.

Type B Installation

NOTE:
- If the quick release connector O-ring is damaged or has slipped, replace the fuel hose.

1. Inspect the fuel hose and fuel pipe sealing surface for damage and deformation.

- If there is any malfunction, replace it with a new one.

2. Install the quick release connector.






- Insert the fuel pipe straight to the end of the quick release connector.
- Push down the retainer using a finger.

- If the retainer cannot be pushed down, push the fuel pipe further to the quick release connector.

3. Lightly pull and push the quick release connector a few times by hand, and then verify that it is connected securely.

4. Complete the "AFTER SERVICE PRECAUTION". After Service Precaution