lemon-mirror:
Home >> Mazda >> 2009 >> 6 L4-2.5L >> Repair and Diagnosis >> Powertrain Management >> Emission Control Systems >> Diagrams

Emission Control Systems: Diagrams




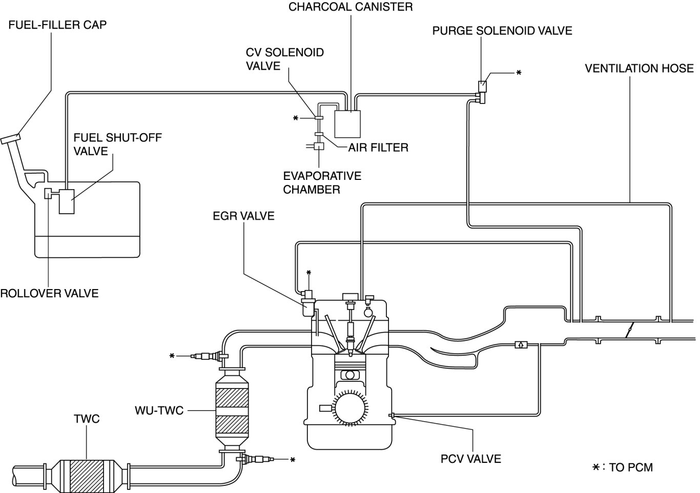
EMISSION SYSTEM DIAGRAM [L5]