lemon-mirror:
Home >> Mazda >> 2009 >> 6 L4-2.5L >> Repair and Diagnosis >> Heating and Air Conditioning >> Compressor HVAC >> Service and Repair

Compressor HVAC: Service and Repair




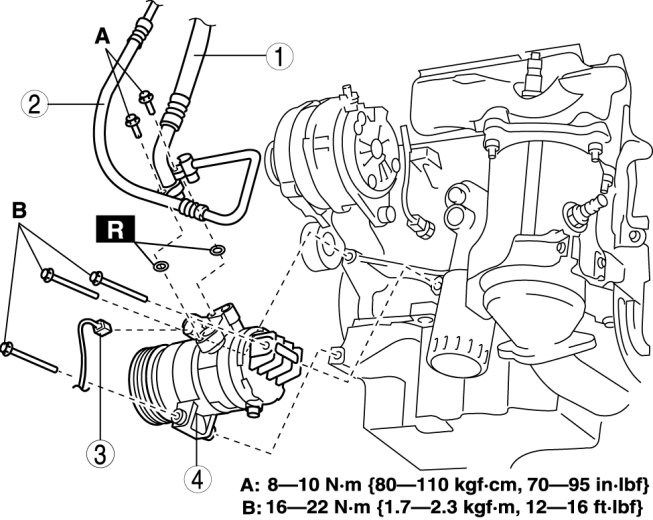
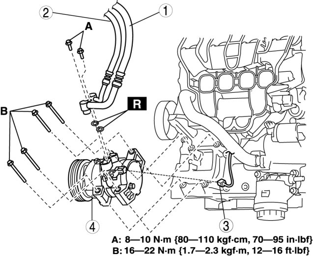
A/C COMPRESSOR REMOVAL/INSTALLATION

1. Disconnect the negative battery cable.

2. Discharge the refrigerant. Refrigerant Charging

3. Remove the front under cover.

4. Remove the drive belt. Service and Repair Service and Repair

5. Remove the water hose bracket.






CAUTION:
- If moisture or foreign material enters the refrigeration cycle, cooling ability will be lowered and abnormal noise or other malfunction could occur. Always plug open fittings immediately after removing any refrigeration cycle parts.

6. Remove in the order indicated in the table. Do not allow compressor oil to spill.
L5





MZI-3.7










7. Install in the reverse order of removal.

8. Perform the refrigerant system performance test. Refrigerant System Performance Test

A/C Compressor Installation Note

CAUTION:
- Due to the high moisture-absorption characteristics of the compressor oil, it may absorb moisture if left over a long period of time thereby negatively affecting A/C operation. Drain the compressor oil and refill within 10 min. of each other.

1. Rotate new A/C compressor shaft six to eight revolutions while collecting refrigerant oil in a clean measuring device. Use this refrigerant oil to refill new compressor. Do not allow refrigerant oil to become contaminated.

2. Rotate old A/C compressor shaft six to eight revolutions while collecting refrigerant oil in a separate, clean measuring device.

3. Compare those oil amounts. The amount of the oil drained from the new A/C compressor should be greater than the old one.

4. Pour the same amount oil of drained from the old A/C compressor back into the new A/C compressor.






A/C compressor oil type
- ZXL 100PG

A/C compressor oil sealed volume (approx. quantity)
- 120 ml {120 cc, 4.06 fl oz}