lemon-mirror:
Home >> Mazda >> 2009 >> 5 L4-2.3L >> Repair and Diagnosis >> Power and Ground Distribution >> Relay Box >> Testing and Inspection

Relay Box: Testing and Inspection




RELAY INSPECTION

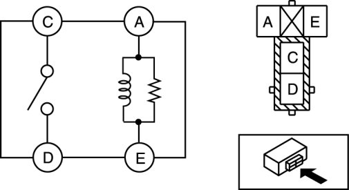
Relay type





Type A

1. Verify the continuity between the relay terminals.






- If not as indicated in the table, replace the relay.






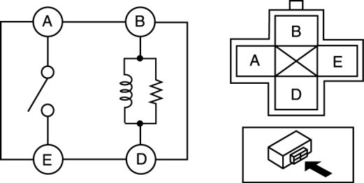
Type B

1. Verify the continuity between the relay terminals.






- If not as indicated in the table, replace the relay.