lemon-mirror:
Home >> Mazda >> 2009 >> 5 L4-2.3L >> Repair and Diagnosis >> Body and Frame >> Fender >> Front Fender >> Service and Repair

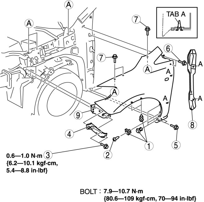
Front Fender: Service and Repair




FRONT FENDER PANEL REMOVAL/INSTALLATION

1. Remove the battery cover. Removal and Replacement

2. Disconnect the negative battery cable.

3. Remove the following parts:
a. Windshield wiper arm and blade Windshield Wiper Arm And Blade Removal/Installation

b. Cowl grille Cowl Grille Removal/Installation

c. Front side turn lights Front Side Turn Light Removal/Installation

d. Front bumper Removal and Replacement

e. Front combination lights Front Combination Light Removal/Installation

f. Side step molding

g. Sail garnish Service and Repair

4. Remove in the order indicated in the table.










5. Install in the reverse order of removal.