lemon-mirror:
Home >> Mazda >> 2009 >> 3 L4-2.3L >> Repair and Diagnosis >> Powertrain Management >> Emission Control Systems >> Service and Repair

Emission Control Systems: Service and Repair




QUICK RELEASE CONNECTOR (EMISSION SYSTEM) REMOVAL/INSTALLATION [LF, L3]

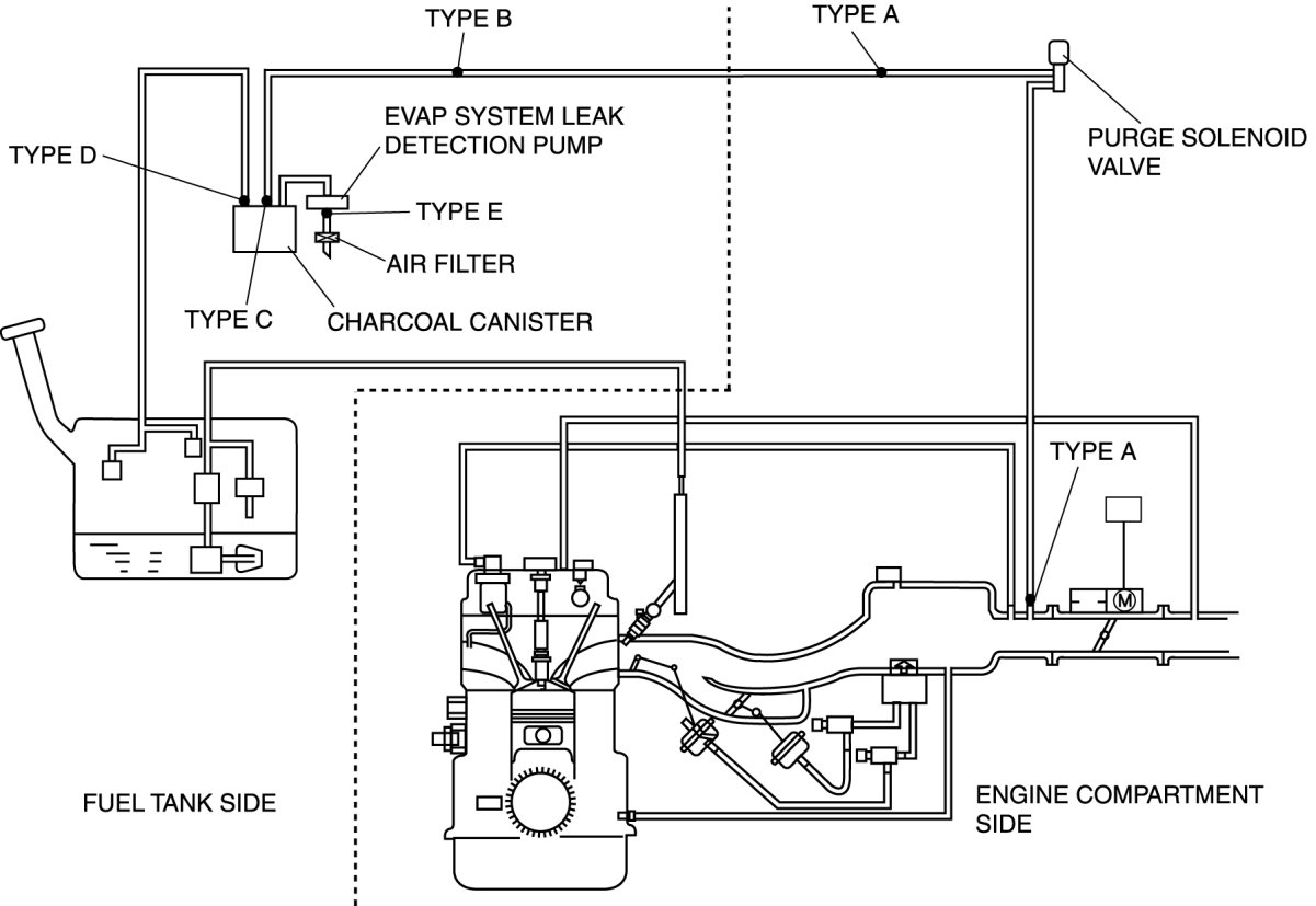
Quick Release Connector Type

CAUTION:
- There are five types of quick release connectors. Verify the type and location, and install/remove properly.
California emission regulation applicable model





Except for California emission regulation applicable model






Type A Removal

CAUTION:
- The quick release connector may be damaged if the release tab is bent excessively. Do not expand the release tab over the stopper.

NOTE:
- The evaporative hose can be removed by pushing it to the joint port side to release the lock.

1. Rotate the release tab on the quick release connector to the stopper position.






2. Pull out the evaporative hose straight from the joint port and disconnect it.






3. Cover the disconnected quick release connector and joint port with vinyl sheeting or a similar material to prevent it from scratches or dirt.

Type B Removal

CAUTION:
- Be careful not to damage the pipe when unlocking the retainer.

NOTE:
- When a prompt connector is detached, following SST can be used.

- 49 N013 103A
- 49 E042 001

When using SST 49 N013 103A

1. Follow "BEFORE SERVICE PRECAUTION" and remove dirt from the connecting surfaces before performing any work operations. Before Service Precaution

2. Verify that the quick release connector joint area is free of foreign material. Clean if necessary.

3. Install the SST as shown in the figure and push into the quick release connector to disconnect the fuel pipe.






4. Cover the disconnected quick release connector and fuel pipe to prevent them from being scratched or contaminated with foreign material.

When using SST 49 E042 001

NOTE:
- If the quick release connector is removed, replace the retainer with a new one.

1. Follow "BEFORE SERVICE PRECAUTION" and remove dirt from the connecting surfaces before performing any work operations. Before Service Precaution

2. Set the SST parallel to the quick release connector.






NOTE:
- The quick release connector can be removed by pushing the center of the retainer tabs.
- The retainer is attached to the pipe even after the connector is disconnected.

3. Hold the center of the retainer tabs with the SST ends and press the retainer.

4. Pull the connector side and disconnect the quick release connector.

5. Raise a retainer tab using the SST and remove the retainer.






6. Cover the disconnected quick release connector and fuel pipe with vinyl sheeting or a similar material to prevent it from scratches or dirt.

Type C Removal

1. Move the retainer upward using a small flathead screwdriver or a similar tool.






2. Pull out the evaporative hose straight from the joint port and disconnect it.

3. Cover the disconnected quick release connector and joint port with vinyl sheeting or a similar material to prevent it from becoming scratched or dirty.

Type D Removal

1. Squeeze the release tab until the locks are released.

2. Pull the quick release connector straight outward.






3. Cover the disconnected quick release connector and joint port with vinyl sheeting or a similar material to prevent it from becoming scratched or dirty.

Type E Removal

1. Squeeze the locking coupler until the locking tab opens and releases.
NOTE:
- The locking coupler has two internal locking tabs which retain the joint port. Be sure that the squeezing place on the locking coupler is squeezed until it can be released from the joint port.






2. Pull the quick release connector straight outward.






3. Cover the disconnected quick release connector and joint port with vinyl sheeting or a similar material to prevent it from becoming scratched or dirty.

Type A Installation

NOTE:
- If the quick release connector O-ring is damaged or has slipped, replace the evaporative hose.
- A checker tab is integrated with the quick release connector for new evaporative hoses. Remove the checker tab from the quick release connector after the connector is completely engaged with the joint port.






1. Inspect the evaporative hose and joint port sealing surface for damage and deformation.

- If there is any malfunction, replace it with a new one.

2. Apply a small amount of clean engine oil to the sealing surface of the joint port.

3. Reconnect the evaporative hose straight to the joint port until a click is heard.
NOTE:
- If the quick release connector does not move at all, disconnect it, verify that the O-ring is not damaged or has not slipped, and then reconnect the quick release connector.

4. Lightly pull and push the quick release connector a few times by hand, and then verify that it can move 2.0-3.0 mm {0.08-0.12 in} and is connected securely.

Type B Installation

NOTE:
- Use only the designated genuine retainer when replacing the retainer.

1. Verify that the sealing surfaces of the fuel hose or fuel pipe have no damage or deformation. Replace if necessary.

- If the O-ring of the quick release connector is damaged or displaced, replace the fuel hose.

2. Install a new retainer to the quick release connector, then visually verify that the retainer tab is installed securely to the connector.

3. Apply a small amount of clean engine oil to the sealing surface of the fuel pipe.

4. Push the quick release connector into the fuel pipe until a click is heard.






5. Lightly pull and push the quick release connector a few times by hand, and then verify that it can move 2.0-3.0 mm {0.08-0.12 in} and is connected securely.

- If the quick release connector does not move at all, verify that the O-ring is not damaged or has slipped, and then reconnect the connector.

6. Inspect all related parts by performing "AFTER SERVICE PRECAUTION". After Service Precaution

Type C Installation

NOTE:
- If the quick release connector O-ring is damaged or has slipped, replace the evaporative hose.

1. Inspect the evaporative hose and joint port sealing surface for damage and deformation.

- If there is any malfunction, replace it with a new one.

2. When disconnecting and reconnecting the quick release connector, verify if the metal reinforcement pipe protrudes from the plastic pipe end while pressing the end with a finger.

- If the metal pipe protrudes from the resin pipe, insert it flush with the end of the resin pipe.

3. Insert the joint port straight to the end of the quick release connector.

4. Push down the retainer using a finger.

- If the retainer cannot be pushed down, push the joint port further to the quick release connector.

5. Lightly pull and push the quick release connector a few times by hand, and then verify that it is connected securely.

Type D Installation

NOTE:
- If the quick release connector O-ring is damaged or has slipped, replace the evaporative hose.

1. Inspect the evaporative hose and joint port sealing surface for damage and deformation.

- If there is any malfunction, replace it with a new one.

2. Apply a small amount of clean engine oil to the sealing surface of the joint port.

3. Reconnect the evaporative hose straight to the joint port until a click is heard.
NOTE:
- If the quick release connector does not move at all, disconnect it, verify that the O-ring is not damaged or has not slipped, and then reconnect the quick release connector.

4. Lightly pull and push the quick release connector a few times by hand, and then verify that it is connected securely.

Type E Installation

NOTE:
- If the quick release connector O-ring is damaged or has slipped, replace the evaporative hose.

1. Inspect the evaporative hose and joint port sealing surface for damage and deformation.

- If there is any malfunction, replace it with a new one.

2. Apply a small amount of clean engine oil to the sealing surface of the joint port.

3. Reconnect the evaporative hose straight to the joint port until a click is heard.
NOTE:
- If the quick release connector does not move at all, disconnect it, verify that the O-ring is not damaged or has not slipped, and then reconnect the quick release connector.

4. Lightly pull and push the quick release connector a few times by hand, and then verify that it is connected securely.