lemon-mirror:
Home >> Mazda >> 2009 >> 3 L4-2.3L >> Repair and Diagnosis >> Powertrain Management >> Emission Control Systems >> Locations

Emission Control Systems: Locations




EMISSION SYSTEM LOCATION INDEX [LF, L3]

Engine Compartment Side










Exhaust System










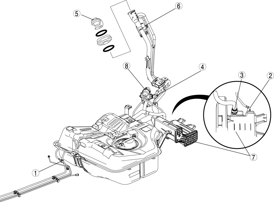
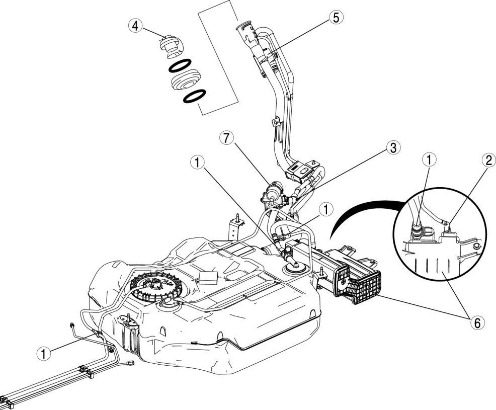
Fuel Tank Side

California emission regulation applicable model










Except for California emission regulation applicable model