lemon-mirror:
Home >> Mazda >> 2009 >> 3 L4-2.3L >> Repair and Diagnosis >> Powertrain Management >> Computers and Control Systems >> Variable Valve Timing Actuator >> Locations

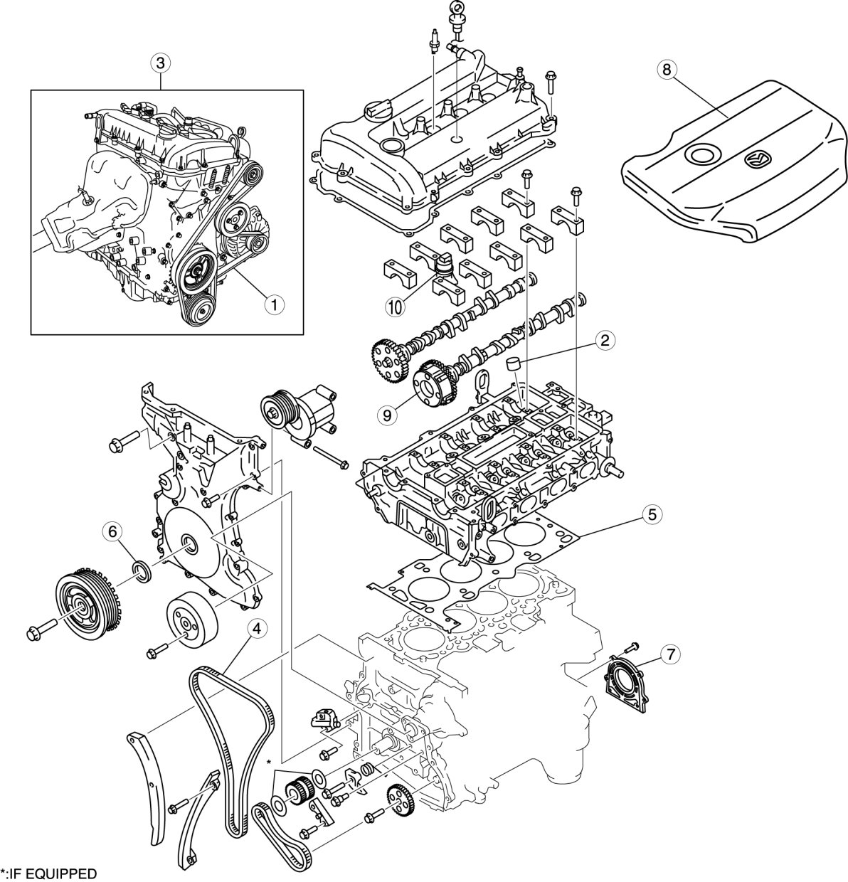
Variable Valve Timing Actuator: Locations




ENGINE LOCATION INDEX [LF, L3]