lemon-mirror:
Home >> Mazda >> 2008 >> Tribute 4WD L4-2.3L >> Repair and Diagnosis >> Diagrams >> Exploded Views >> Engine >> System Diagram >> Engine

Engine

LOWER ENGINE BLOCK - 2.3L EXPLODED VIEW

Lower Engine Block - 2.3L:





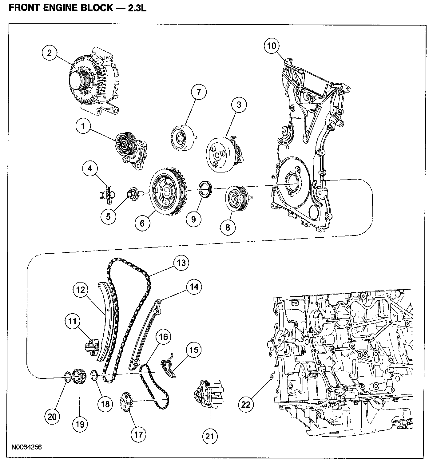
FRONT ENGINE BLOCK - 2.3L EXPLODED VIEW

Front Engine Block - 2.3L (Part 1):




Front Engine Block - 2.3L (Part 2):





INTAKE MANIFOLD - 2.3L EXPLODED VIEW

Intake Manifold - 2.3L:





CYLINDER HEAD - 2.3L EXPLODED VIEW

Cylinder Head - 2.3L (Part 1):




Cylinder Head - 2.3L (Part 2):