lemon-mirror:
Home >> Mazda >> 2008 >> Tribute 2WD V6-3.0L >> Repair and Diagnosis >> Diagrams >> Exploded Views >> Engine >> Intake Manifold

Intake Manifold

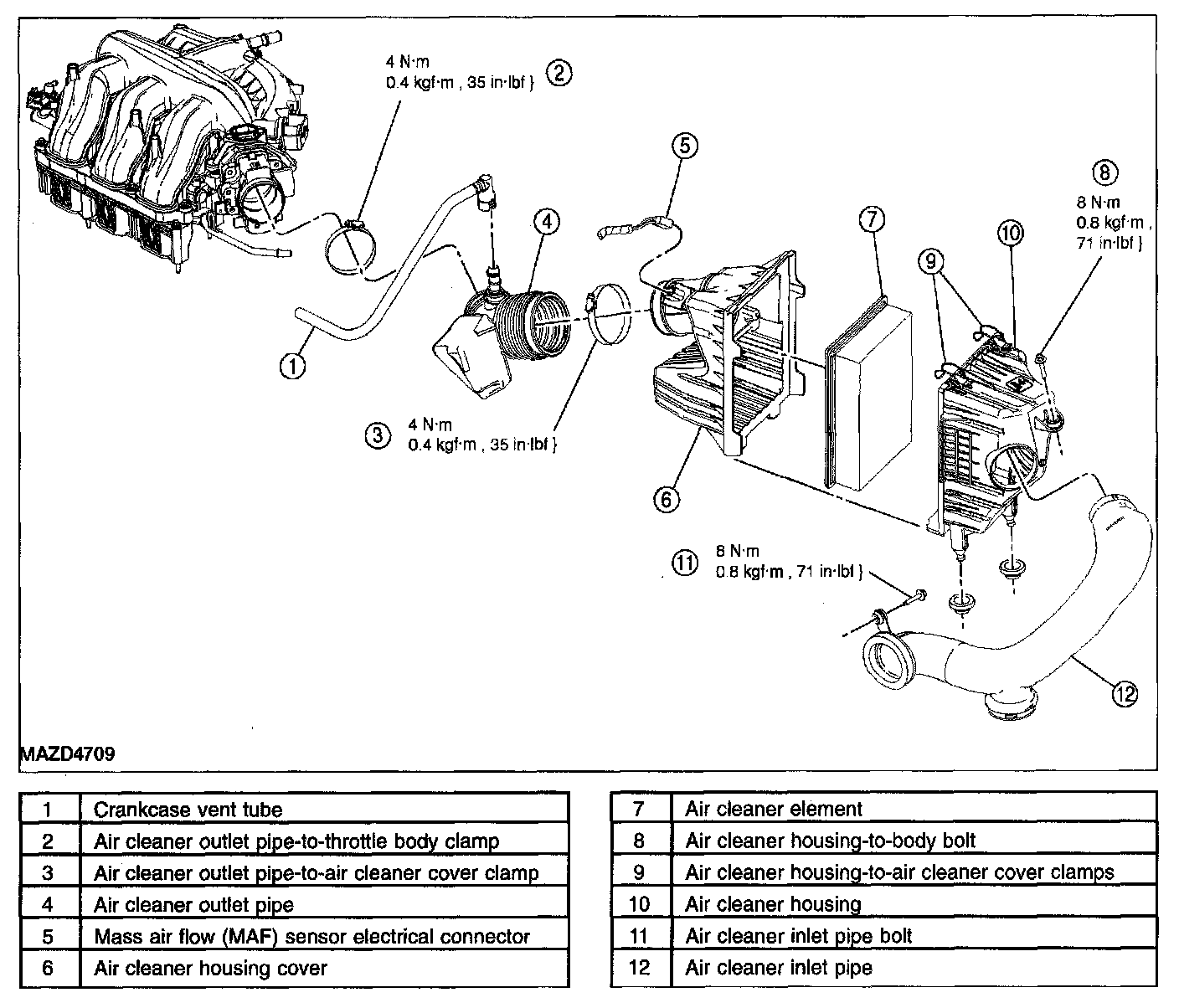
INTAKE AIR SYSTEM COMPONENTS - 3.0L (4V) EXPLODED VIEW

Intake Air System Components-3.0L (4V) Exploded View:






1. For additional information, see the procedures.