lemon-mirror:
Home >> Mazda >> 2008 >> Tribute 2WD L4-2.3L >> Repair and Diagnosis >> Powertrain Management >> Computers and Control Systems >> Crankshaft Position Sensor >> Service and Repair

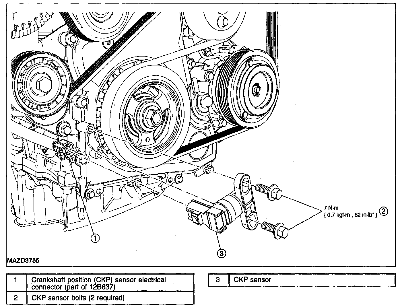
Crankshaft Position Sensor: Service and Repair

CRANKSHAFT POSITION (CKP) SENSOR - 2.3L REMOVAL/INSTALLATION






Removal
1. With the vehicle in NEUTRAL, position on a hoist. See LIFTING.




2. Remove the 5 bolts and the RH splash shield.




3. Remove the engine plug bolt.




4. Turn the crankshaft pulley bolt to position the number one cylinder at top dead center (TDC) and install the special tool.
5. Disconnect the crankshaft position (CKP) sensor electrical connector.
6. Remove the bolts and the CKP sensor.

Installation




1. Install a 6 mm (0.23 in) x 18 mm (0.7 in) standard bolt.

CAUTION: Only hand tighten the bolt or damage to the front cover may occur.




2. Install a new CKP sensor and the bolts.
- Do not tighten the bolts at this time.

NOTE: Whenever the crankshaft position (CKP) sensor is removed, a new one must be installed using the alignment tool supplied with the new part.




3. Adjust the CKP sensor with the alignment tool.
- Tighten to 7 N.m {0.7 kgf.m, 62 in.lbf}.

NOTE: The crankshaft position (CKP) sensor alignment tool is supplied with the new sensor and is not available separately.

4. Connect the CKP sensor electrical connector.
5. Remove the 6 mm (0.23 in) bolt from the crankshaft pulley.
6. Install the engine plug bolt.
- Tighten to 20 N.m {2.0 kgf.m, 15 ft.lbf}.

7. Install the RH splash shield and the 5 bolts.
- Tighten to 9 N.m {0.9 kgf.m, 80 in.lbf}.