lemon-mirror:
Home >> Mazda >> 2008 >> Tribute 2WD L4-2.3L >> Repair and Diagnosis >> Locations >> Component Locations >> Front Display Interface Module

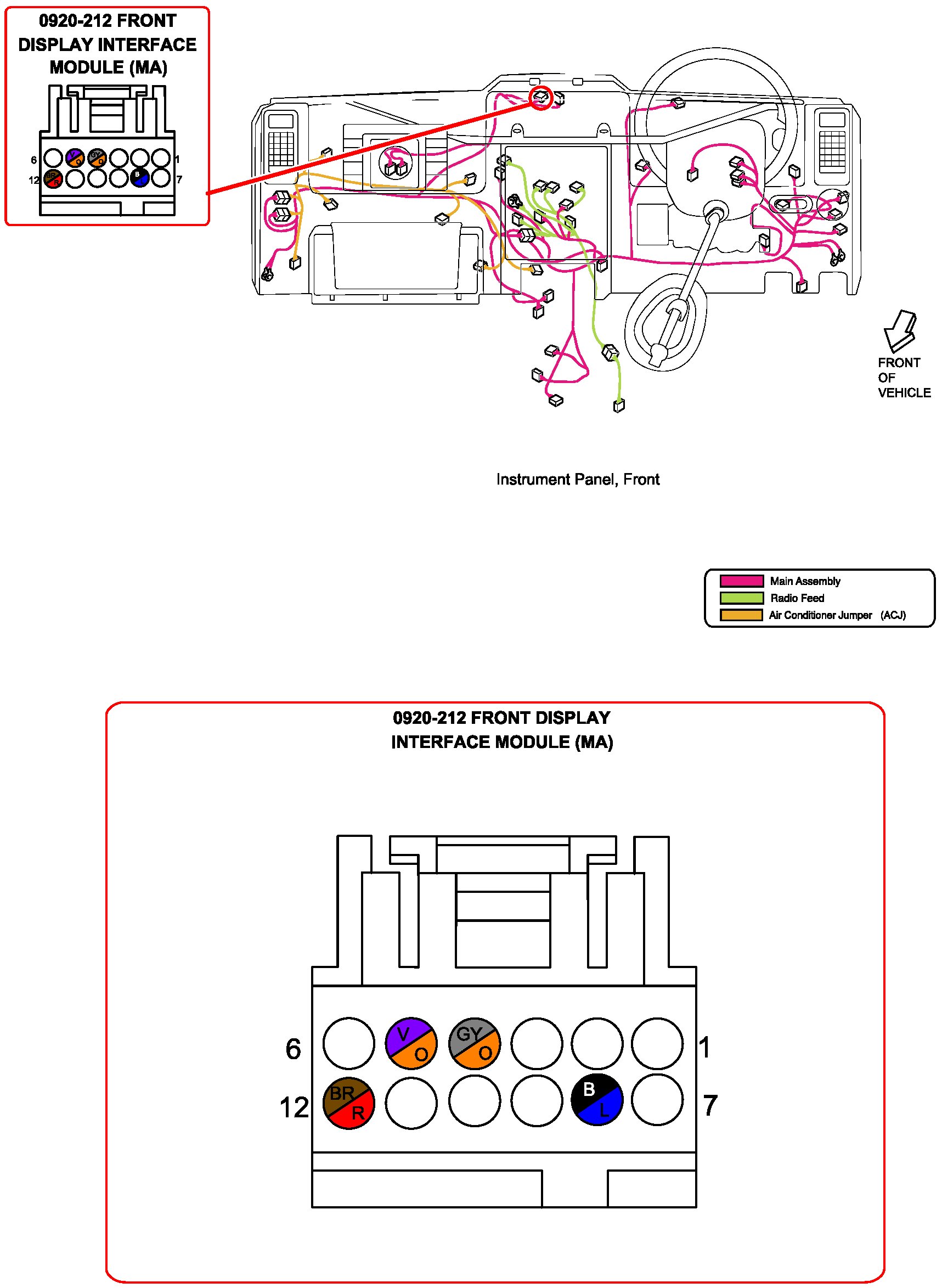
Front Display Interface Module

Front Display Interface Module: